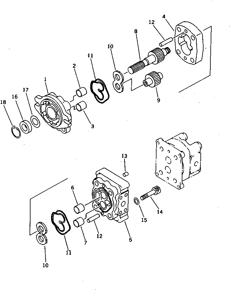
Запчасти Komatsu PC05-7 ГИДР. НАСОС. (/) (ДЛЯ ЯПОН.) (ВНУТР. ЧАСТИ)(№8-) ГИДРАВЛИКА

Схема запчастей Komatsu PC05-7 - ГИДР. НАСОС. (/) (ДЛЯ ЯПОН.) (ВНУТР. ЧАСТИ)(№8-) ГИДРАВЛИКА
FIT
1:1
100%

Артикул

Название

Примечание

Количество

|1

705-41-06001

PUMP ASS'Y

|1

705-41-03031

PUMP ASS'Y (SBR6)

1

705-41-80210

BRACKET

2

705-40-80610

BUSHING,PLANE

3

705-40-80620

BUSHING,PLANE

4

705-40-18011

CASE,GEAR

5

705-40-80311

CARRIER

6

705-40-80610

BUSHING,PLANE

7

705-40-80620

BUSHING,PLANE

8

705-40-18342

GEAR,DRIVE

9

705-40-18511

GEAR,DRIVEN

10

705-40-80720

PLATE,SIDE

11

705-40-80760

SEAL,RING

12

705-67-01910

PIN,DOWEL

13

705-67-01230

PIN,DOWEL

14

705-17-02680

BOLT

15

01643-51232

WASHER

16

705-40-80810

SEAL,OIL

17

705-40-80870

PLATE

18

04065-03515

RING,SNAP

Выбрано товаров: 20