Запчасти Komatsu PC05-7 КАПОТ (/)(№8-) ЧАСТИ КОРПУСА

Схема запчастей Komatsu PC05-7 - КАПОТ (/)(№8-) ЧАСТИ КОРПУСА
FIT
1:1
100%

Артикул

Название

Примечание

Количество

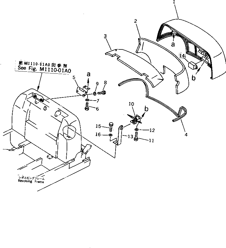
|1

20M-54-72100

HOOD ASS'Y

1

HOOD

2

20M-54-72310

SHEET

3

20M-54-72320

SHEET

4

20M-54-72261

SEAL

5

20M-54-72131

HINGE ASS'Y

6

01010-50820

BOLT

7

01643-30823

WASHER

8

01010-51025

BOLT

9

01643-31032

WASHER

10

20M-54-72210

LOCK ASS'Y

11

01010-50816

BOLT

12

01643-30823

WASHER

13

20M-54-72221

BRACKET

14

20M-54-72250

CATCH

15

01010-50820

BOLT

16

01643-30823

WASHER

Выбрано товаров: 17