Запчасти Komatsu PC05-7 ПЕРЕДН. ЛЕНИВЕЦ ХОДОВАЯ

Схема запчастей Komatsu PC05-7 - ПЕРЕДН. ЛЕНИВЕЦ ХОДОВАЯ
FIT
1:1
100%

Артикул

Название

Примечание

Количество

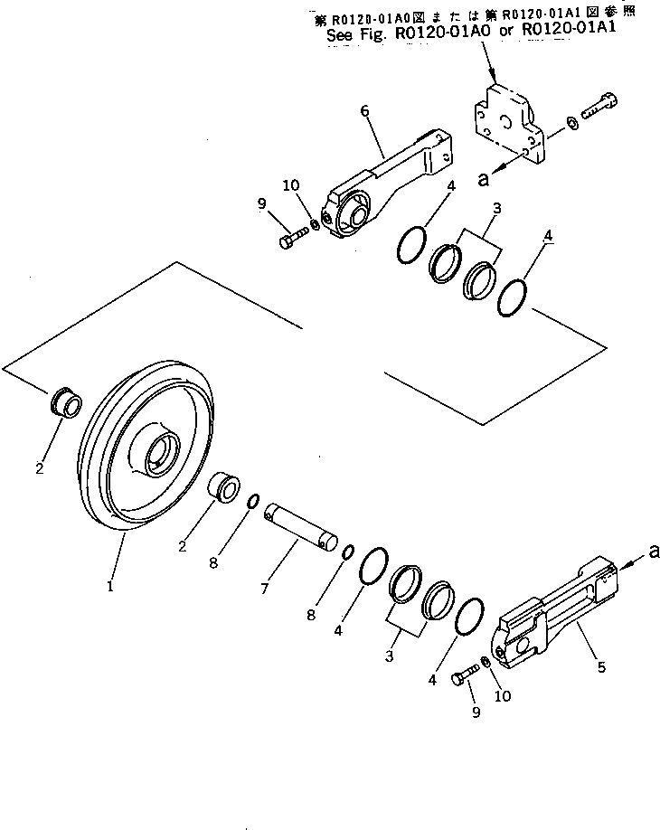
|$0

20M-30-72002

IDLER ASS'Y

|$1

20M-30-72001

IDLER ASS'Y

1

20M-30-72112

IDLER

1

20M-30-72111

IDLER

2

20M-30-31130

BUSHING

|$5

110-30-00085

FLOATING SEAL ASS'Y

3

RING,SEAL

4

O-RING

5

20M-30-72121

SUPPORT,L.H. PAINT(1)

6

20M-30-72131

SUPPORT,R.H. PAINT(1)

7

20M-30-31121

SHAFT

8

07000-02021

O-RING

9

01090-50840

BOLT

9

01090-50845

BOLT

10

01643-30823

WASHER

Выбрано товаров: 15