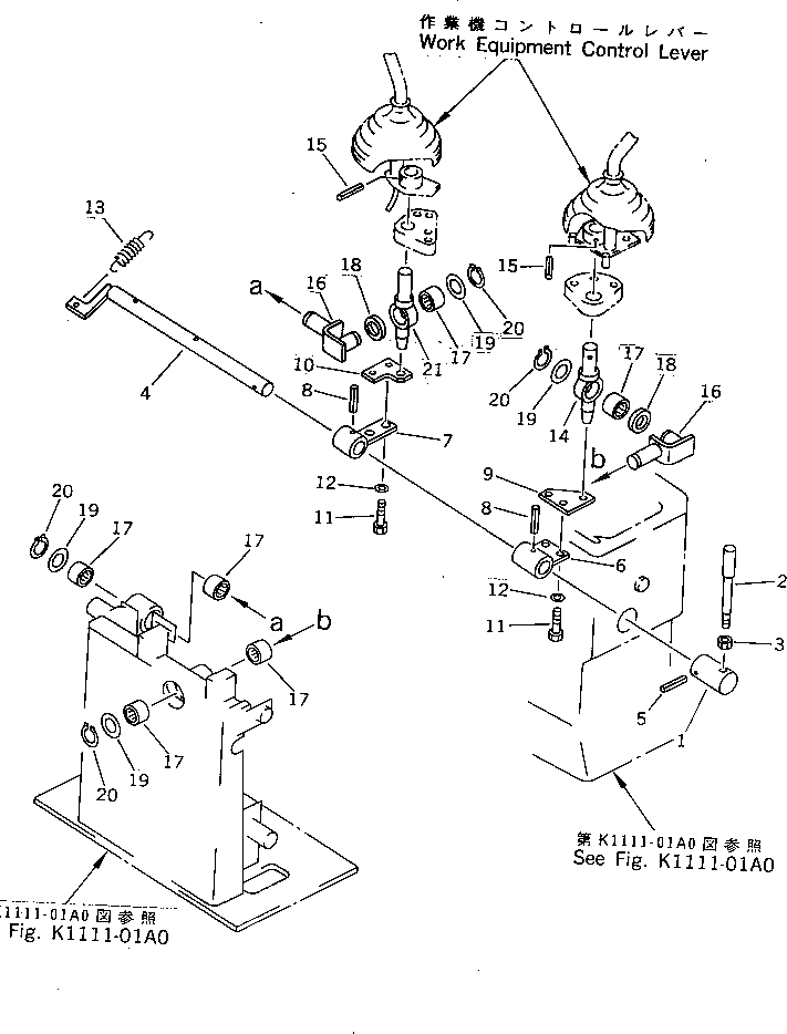
Запчасти Komatsu PC05-7 РЫЧАГ БЛОКИРОВКИ РАБОЧ. ОБОРУД.(№8-) КАБИНА ОПЕРАТОРА И СИСТЕМА УПРАВЛЕНИЯ

Схема запчастей Komatsu PC05-7 - РЫЧАГ БЛОКИРОВКИ РАБОЧ. ОБОРУД.(№8-) КАБИНА ОПЕРАТОРА И СИСТЕМА УПРАВЛЕНИЯ
FIT
1:1
100%

Артикул

Название

Примечание

Количество

1

20N-43-73150

LEVER

2

20N-43-71980

LEVER

3

01580-10806

NUT

4

20N-43-71182

SHAFT

5

04025-00532

PIN,SPRING

6

20N-43-71792

LEVER

7

20N-43-71990

LEVER

8

04025-00532

PIN,SPRING

9

20M-43-71841

PLATE

10

20M-43-71861

PLATE

11

01010-50816

BOLT

12

01643-30823

WASHER

13

203-43-21370

SPRING

14

20N-43-73350

LEVER

15

04025-00632

PIN,SPRING

16

20N-43-71171

LEVER

17

195-61-34120

BEARING

18

20N-43-71820

COLLAR

19

01641-21626

WASHER

20

04064-01610

RING,SNAP

21

20N-43-71162

LEVER

Выбрано товаров: 21