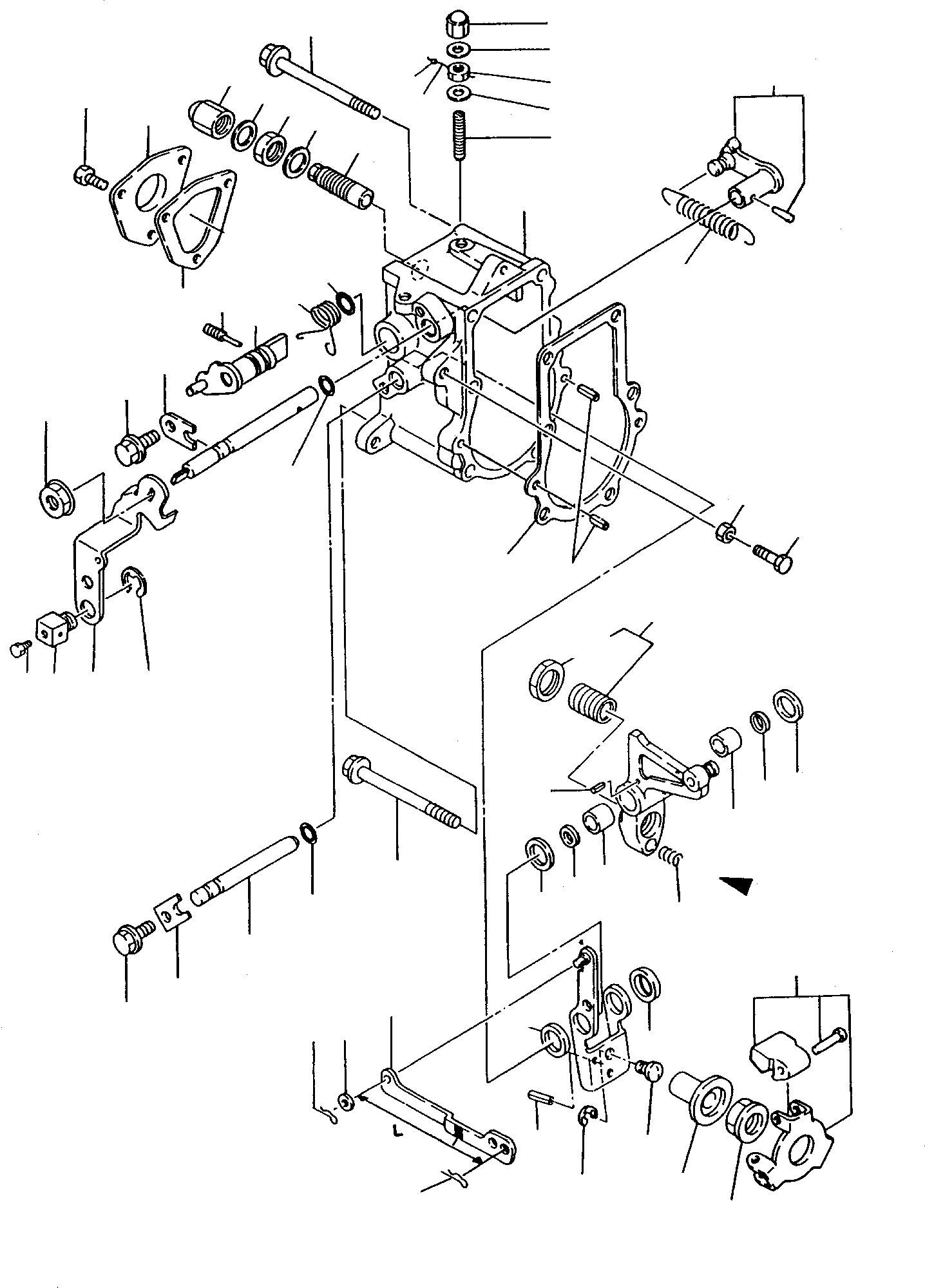
Запчасти Komatsu PC05-7 РЕГУЛЯТОР ДВИГАТЕЛЬ

Схема запчастей Komatsu PC05-7 - РЕГУЛЯТОР ДВИГАТЕЛЬ
70
47
12
45
74
35
53
48
41
4
58
68
67
66
13
71
65
74
2
66
69
59
15
57
50
56
3
54
55
39
47
49
46
73
72
1
10
75
78
52
51
29
38
19
32
12
32
19
28
29
14
34
27
16
17
40
18
22
22
37
33
9
36
11
8
FIT
1:1
100%

Артикул

Название

Примечание

Количество

1

YMR000928

GASKET

2

YMR000929

COVER

3

YMR000819

GASKET

4

YMR000820

GOVERNOR WEIGHT, ASSY.

8

YMR000821

NUT

9

YMR000822

SLEEVE

10

YMR000363

PEG

11

YMR000823

PIN, SNAP

12

YMR000824

SCREW

13

YMR000414

BOLT PLATED

14

YMR000214

O-RING

15

YMR000825

CASE, GOVERNOR

16

YMR000826

LINK L=88.8 mm

17

YMR000827

LINK L=88.6 mm

18

YMR000828

LINK L=89.0 mm

19

YMR000829

SHIM

22

YMR000253

SPACER

27

YMR000830

SHAFT, GOVERNOR LEVER

28

YMR000831

GOVERNOR LEVER, ASSY.

29

YMR000352

SHIM

32

YMR000832

BUSHING

33

YMR000833

SHIFTER

34

YMR000834

SPRING

35

YMR000354

WASHER

36

YMR000359

RING, SNAP

37

YMR000835

PEG

38

YMR000836

PEG

39

YMR000837

RETAINER, SHAFT

40

YMR000838

RETAINER, SHAFT

41

YMR000839

SHAFT, ASSY.

45

YMR000366

PIN, SNAP

46

YMR000840

O-RING

47

YMR000752

BOLT PLATED

48

YMR000841

RETAINER

49

YMR000353

NUT

50

YMR000842

SPRING, REGULATOR

51

YMR000843

HANDLE, REGULATOR

52

YMR000844

RING, SNAP

53

YMR000845

SCREW

54

YMR000846

SCREW, STOP

55

YMR000847

LEVER, STOP

56

YMR000848

SPRING

57

YMR000385

O-RING

58

YMR000849

NUT

59

YMR000850

TORQUE SPRING ASSY.

65

YMR000851

NUT

66

YMR000852

GASKET

67

YMR000302

LEAD

68

YMR000090

NUT

69

YMR000853

SCREW

70

YMR000854

NUT

71

YMR000368

CABLE

72

YMR000855

SCREW

73

YMR000430

NUT

74

YMR000856

GASKET

75

YMR000857

ANGLEICH, ASSY.

78

YMR000858

NUT

Выбрано товаров: 57