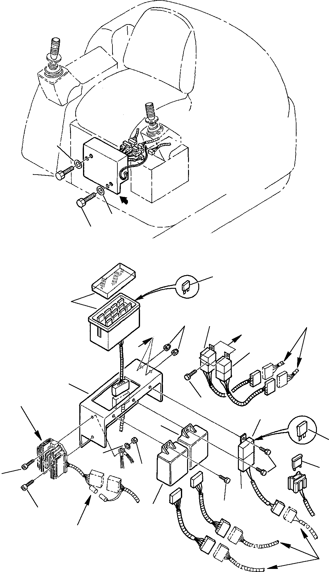
Запчасти Komatsu PC05-7 ЭЛЕКТРИКА (ПРЕДОХРАНИТЕЛЬ КОРПУС И РЕЛЕ) КОМПОНЕНТЫ ДВИГАТЕЛЯ И ЭЛЕКТРИКА

Схема запчастей Komatsu PC05-7 - ЭЛЕКТРИКА (ПРЕДОХРАНИТЕЛЬ КОРПУС И РЕЛЕ) КОМПОНЕНТЫ ДВИГАТЕЛЯ И ЭЛЕКТРИКА
10
18
a
a
a
a
B
B
B
A
3
2
3
2
5
4
8
6
6
1
7
13
11
12
5
17
16
9
12
14
15
FIT
1:1
100%

Артикул

Название

Примечание

Количество

1

3F0517051

SUPPORT

2

801015106

BOLT

3

802170002

WASHER

4

885171006

FUSE BOX

5

885091012

FUSE 3A

5

885091006

FUSE 7.5A

5

885091007

FUSE 10A

5

885091015

FUSE 20A

5

885091010

FUSE 25A

6

885411064

RELAY

7

801015061

BOLT

8

801852206

NUT

9

885171010

FUSE BOX

10

885171011

COVER

11

885091018

FUSE 60A

12

801015061

BOLT

13

885411208

CHECK

14

885411152

TIMER

15

801105118

SCREW

16

801105116

SCREW

17

801920103

NUT

18

802170000

WASHER

Выбрано товаров: 22