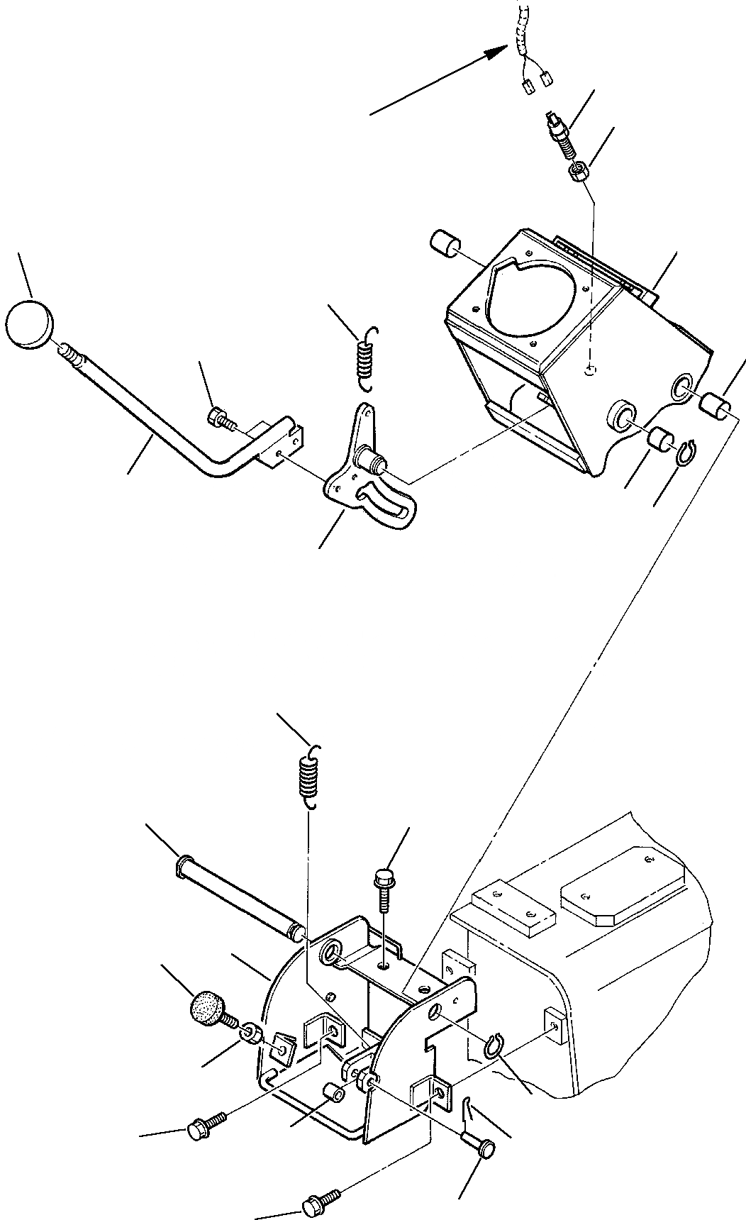
Запчасти Komatsu PC05-7 ЛЕВ. РЫЧАГ БЛОКИРОВКИ СИСТЕМА УПРАВЛЕНИЯ И ОСНОВНАЯ РАМА

Схема запчастей Komatsu PC05-7 - ЛЕВ. РЫЧАГ БЛОКИРОВКИ СИСТЕМА УПРАВЛЕНИЯ И ОСНОВНАЯ РАМА
A
10
11
2
6
5
3
7
1
8
9
4
12
13
16
15
17
18
14
19
16
20
21
16
FIT
1:1
100%

Артикул

Название

Примечание

Количество

1

3F0542059

LEVER, L.H.

1

3F0542073

LEVER, L.H.

2

816213544

KNOB

3

801015062

BOLT

3

801015082

BOLT

4

3F0542062

LEVER, L.H.

4

3F0542075

LEVER, L.H.

5

804020008

SPRING

6

3F0542068

SUPPORT

7

805630022

BUSHING

8

805630021

BUSHING

9

802250016

RING, SNAP

10

885081084

SWITCH

11

801713411

NUT

12

804020004

SPRING

13

3F0542625

PIN

14

802250016

RING, SNAP

15

3F0542051

SUPPORT, L.H.

16

801085023

SCREW

17

808000032

RUBBER

18

801920103

NUT

19

306422667

BUSHING

20

802610040

PIN, COTTER

21

500611652

PIN

Выбрано товаров: 0