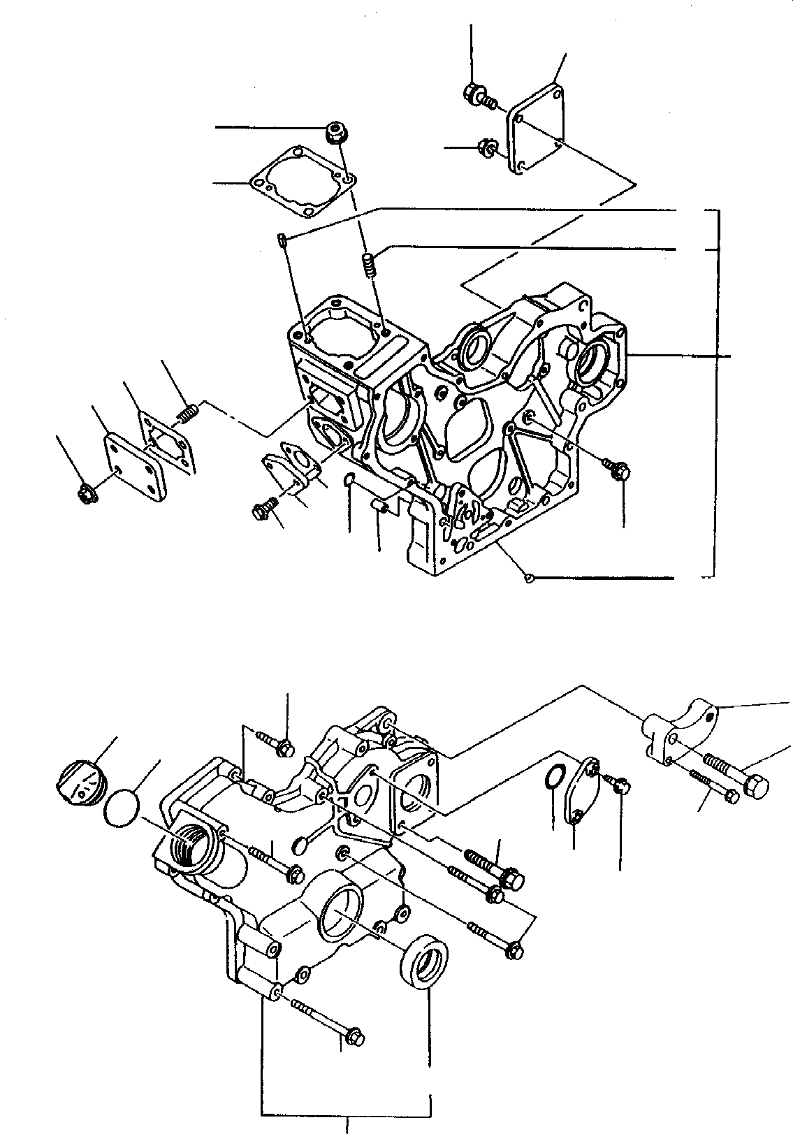
Запчасти Komatsu PC05-7 ПЕРЕДН. КРЫШКАAND ПРИВОД ДВИГАТЕЛЬ

Схема запчастей Komatsu PC05-7 - ПЕРЕДН. КРЫШКАAND ПРИВОД ДВИГАТЕЛЬ
21
20
39
23
35
34
33
16
30
15
14
19
27
28
7
29
6
4
32
8
5
17
13
18
9
11
22
25
24
26
10
12
3
1
FIT
1:1
100%

Артикул

Название

Примечание

Количество

1

YMR000618

COVER, HOUSING

3

YMR000619

GASKET, BONNET

4

YMR000620

PIPE, KNOCK

5

YMR000621

BRACKET, GENERATOR

6

YMR000382

O-RING

7

YMR000622

BOLT PLATED

8

YMR000623

BOLT PLATED

9

YMR000624

BOLT PLATED

10

YMR000625

BOLT PLATED

11

YMR000625

BOLT PLATED

12

YMR000626

BOLT PLATED

13

YMR000627

BOLT PLATED

14

YMR000628

COVER

15

YMR000629

GASKET

16

YMR000630

STUD

17

YMR000078

OIL PLUG

18

YMR000384

O-RING

19

YMR000424

NUT

20

YMR000083

COVER

21

YMR000400

BOLT PLATED

22

YMR000631

BOLT PLATED

23

YMR000425

NUT

24

YMR000053

COVER

25

YMR000388

O-RING

26

YMR000632

BOLT PLATED

27

YMR000633

GASKET

28

YMR000634

COVER

29

YMR000622

SCREW

30

YMR000636

CASE

32

YMR000637

PLUG

33

YMR000066

STUD

34

YMR000363

PEG

35

YMR000635

SHIM

39

YMR000353

NUT

Выбрано товаров: 0