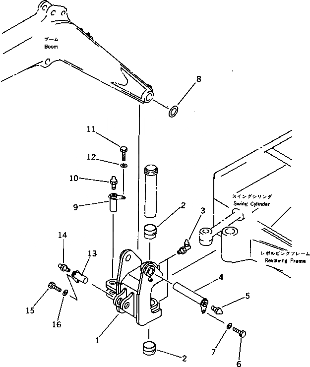
Запчасти Komatsu PC07-1 ПОВОРОТН. БЛОК(№-9) РАБОЧЕЕ ОБОРУДОВАНИЕ

Схема запчастей Komatsu PC07-1 - ПОВОРОТН. БЛОК(№-9) РАБОЧЕЕ ОБОРУДОВАНИЕ
FIT
1:1
100%

Артикул

Название

Примечание

Количество

G-1

20W-70-X1110

SWING BRACKET SUB G.

|1

20W-70-00110

SWING BRACKET ASS'Y

1

BRACKET

2

07144-10404

BUSHING

3

07020-00900

FITTING,GREASE

G-2

20W-70-X1120

SWING BRACKET PIN G.

4

20M-70-48220

PIN

5

07020-00000

FITTING,GREASE

6

01010-51020

BOLT

7

01643-31032

WASHER

8

20N-70-11280

SPACER¤ 1.0MM

9

20M-70-48231

PIN

10

07020-00000

FITTING,GREASE

11

01010-51020

BOLT

12

01643-31032

WASHER

13

20W-70-11120

PIN

14

07020-00000

FITTING,GREASE

15

01010-51020

BOLT

16

01643-31032

WASHER

Выбрано товаров: 19