Запчасти Komatsu PC07-1 МАРКИРОВКА(№-9) МАРКИРОВКА¤ ИНСТРУМЕНТ И РЕМКОМПЛЕКТЫ

Схема запчастей Komatsu PC07-1 - МАРКИРОВКА(№-9) МАРКИРОВКА¤ ИНСТРУМЕНТ И РЕМКОМПЛЕКТЫ
FIT
1:1
100%

Артикул

Название

Примечание

Количество

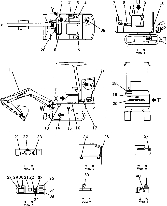
1

20W-98-12110

PLATE¤ OPERATING,TRAVEL AND HOE CONTROL

2

09653-00100

PLATE¤ SAFETY,HYDRAULIC TANK CAP

3

203-00-21190

PLATE¤ INSTRUCTION,HYDRAULIC OIL

4

09669-00003

PLATE¤ CAUTION,HYDRAULIC TANK

5

09685-00001

PLATE¤ OPERATING,SWING AND ARM LEVER LOCK

6

09669-00002

PLATE¤ CAUTION,FUEL TANK

7

20W-98-12560

PLATE¤ MARK,URBAN

8

20W-98-12570

PLATE¤ MARK,PC07

9

20W-98-12510

PLATE¤ MARK,KOMATSU

10

20M-98-48250

PLATE¤ MARK,ARROW

11

20W-98-12580

PLATE¤ MARK,KOMATSU

12

20W-98-12550

PLATE¤ MARK,URBAN

13

20W-98-12530

PLATE¤ MARK,POWERFUL MINI

14

20M-98-48250

PLATE¤ MARK,ARROW

15

20W-98-12590

PLATE¤ OPERATING,GREASE

16

20W-98-12520

PLATE¤ MARK,KOMATSU

17

20W-98-12570

PLATE¤ MARK,PC07

18

20W-98-12540

PLATE¤ CAUTION,TURNING AREA

19

09667-00100

PLATE¤ SAFETY,ENGINE COVER

20

09690-50560

PLATE¤ MARK,KOMATSU

21

20M-98-32260

PLATE¤ OPERATING,LAMP SWITCH

22

20M-98-48140

PLATE¤ OPERATING,ENGINE CONTROL

23

09683-01060

PLATE¤ OPERATING,STARTING SWITCH

24

20N-98-21290

PLATE¤ CAUTION,FUEL FILTER

25

09668-00100

PLATE¤ SAFETY,RADIATOR CAP

26

20R-98-24130

PLATE¤ OPERATING,ISO PATTERN¤ KOMATSU PATTERN

27

09601-00835

PLATE¤ NAME

|27

04418-13060

SCREW

28

20W-98-12210

CHART¤ OIL

29

203-00-21180

PLATE¤ CAUTION,HYDRAULIC OIL FILTER

30

20W-98-12120

PLATE¤ OPERATING,SWING AND BLADE CONTROL

31

20R-54-15391

PLATE¤ CAUTION

32

20W-98-12130

PLATE¤ DATA

33

09173-00100

PLATE¤ SAFETY,INSPECTION AND MAINTENANCE

34

09651-00100

PLATE¤ SAFETY,BEFORE OPERATING

35

09101-00100

PLATE¤ INSTRUCTION,FUEL

36

09652-01101

PLATE¤ CAUTION,FUEL TANK WATER DRAIN

37

09132-00100

PLATE¤ SAFETY,STARTING AND AFTER OPERATING

38

09650-01103

PLATE¤ INSTRUCTION,RADIATOR

39

20W-98-12530

PLATE¤ MARK,POWERFUL MINI

40

09685-00002

PLATE¤ OPERATING,BUCKET CONTROL LEVER LOCK

41

YM171056-12590

PLATE¤ CAUTION,AIR CLEANER

Выбрано товаров: 42