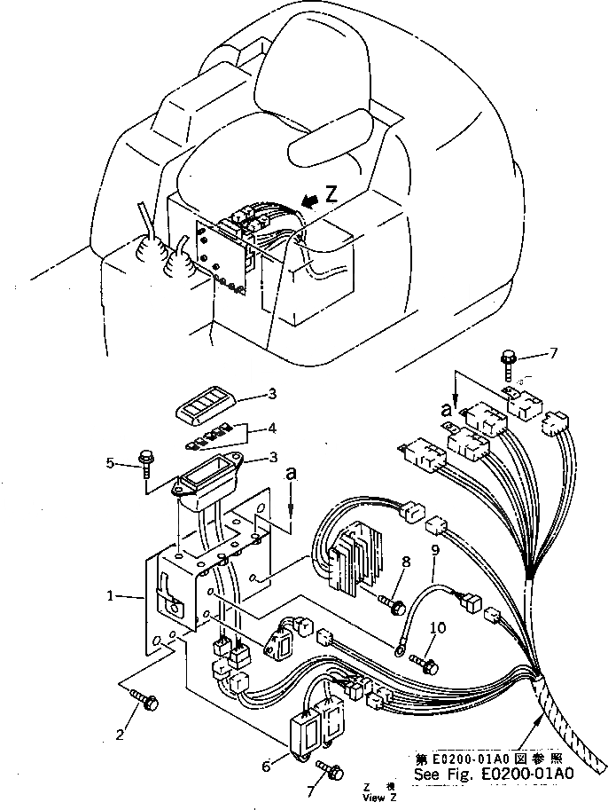
Запчасти Komatsu PC07-2 ЭЛЕКТР. ЭЛЕКТРОПРОВОДКА (ПРЕДОХРАНИТЕЛЬ КОРПУС И РЕЛЕ ЛИНИЯ)(№-) ЭЛЕКТРИКА

Схема запчастей Komatsu PC07-2 - ЭЛЕКТР. ЭЛЕКТРОПРОВОДКА (ПРЕДОХРАНИТЕЛЬ КОРПУС И РЕЛЕ ЛИНИЯ)(№-) ЭЛЕКТРИКА
FIT
1:1
100%

Артикул

Название

Примечание

Количество

1

20M-06-72111

PLATE

2

01435-00812

BOLT

|3

20M-06-73131

FUSE BOX ASS'Y

3

20P-06-71150

BOX

4

22W-06-13150

FUSE¤ 5A

|4

22W-06-13160

FUSE¤ 20A

5

01435-00616

BOLT

6

20M-06-71210

TIMER

7

01435-00616

BOLT

8

01435-00620

BOLT

9

20M-06-73150

WIRE ASS'Y

10

01435-00616

BOLT

Выбрано товаров: 0