Качественные детали и логистика
Оригинальные и аналоговые запчасти с доставкой по России, Казахстану и Беларуси
©2022 PartSell ООО "Система" ИНН 2463123282 ОГРН 1212400004838
Центральный офис: г. Красноярск, Академика Киренского, д.87, пом.4
Телефон: 8 (800) 777-65-74 Email: zakaz@partsell.ru
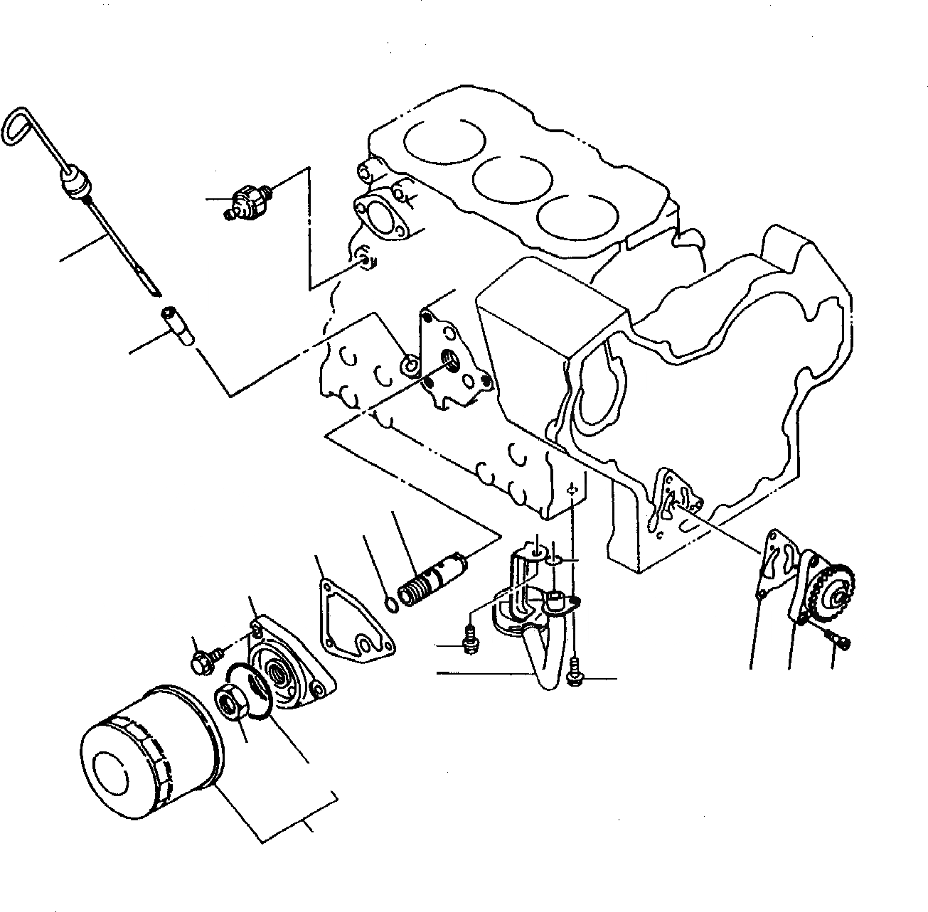
СМАЗЫВ. НАСОС
№
Артикул
Название
Примечание
Количество
1
YMR000743
LUBRICATING OIL PUMP, ASSY.
11
YMR000744
GASKET
12
YMR000745
SCREW
13
YMR000746
DIPSTICK
14
YMR000069
GUIDE, DIPSTICK
15
YMR000747
FILTER SUPPORT
16
YMR000748
17
YMR000604
FILTER
18
YMR000749
O-RING
19
YMR000750
OIL PRESSURE VALVE, ASSY.
27
YMR000194
NUT
28
YMR000383
29
YMR000572
BOLT PLATED
30
YMR000751
INTAKE OIL FILTER
31
YMR000382
32
YMR000752
33
YMR000473
OIL PRESSURE TRANSMITTER
Выбрано товаров: 0