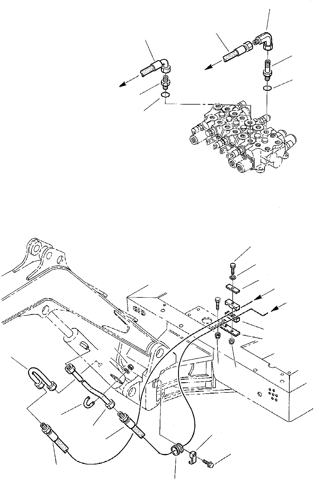
Запчасти Komatsu PC07-2 ГИДРОЛИНИЯ (ЦИЛИНДР СТРЕЛЫ) УПРАВЛ-Е РАБОЧИМ ОБОРУДОВАНИЕМ

Схема запчастей Komatsu PC07-2 - ГИДРОЛИНИЯ (ЦИЛИНДР СТРЕЛЫ) УПРАВЛ-Е РАБОЧИМ ОБОРУДОВАНИЕМ
6
a
7
3
a
b
b
4
5
1
2
12
13
11
10
8
19
21
20
9
9
18
17
14
3
15
7
16
FIT
1:1
100%

Артикул

Название

Примечание

Количество

1

500351745

UNION

2

855051113

O-RING

3

3F0584054

HOSE

4

500358258

UNION

5

855051113

O-RING

6

500355608

ELBOW

7

3F0584059

HOSE

8

3F0535054

BRACKET

9

801852208

NUT

10

200399226

CLAMP

11

500015190

PLATE

12

801015545

BOLT

13

802170001

WASHER

14

3F0584053

CLAMP

15

801085032

SCREW

16

3F0584603

RUBBER

17

3F0587054

PIPE

18

500022878

U-BOLT

19

801852206

NUT

20

802170000

WASHER

21

3F0587053

PIPE

Выбрано товаров: 21