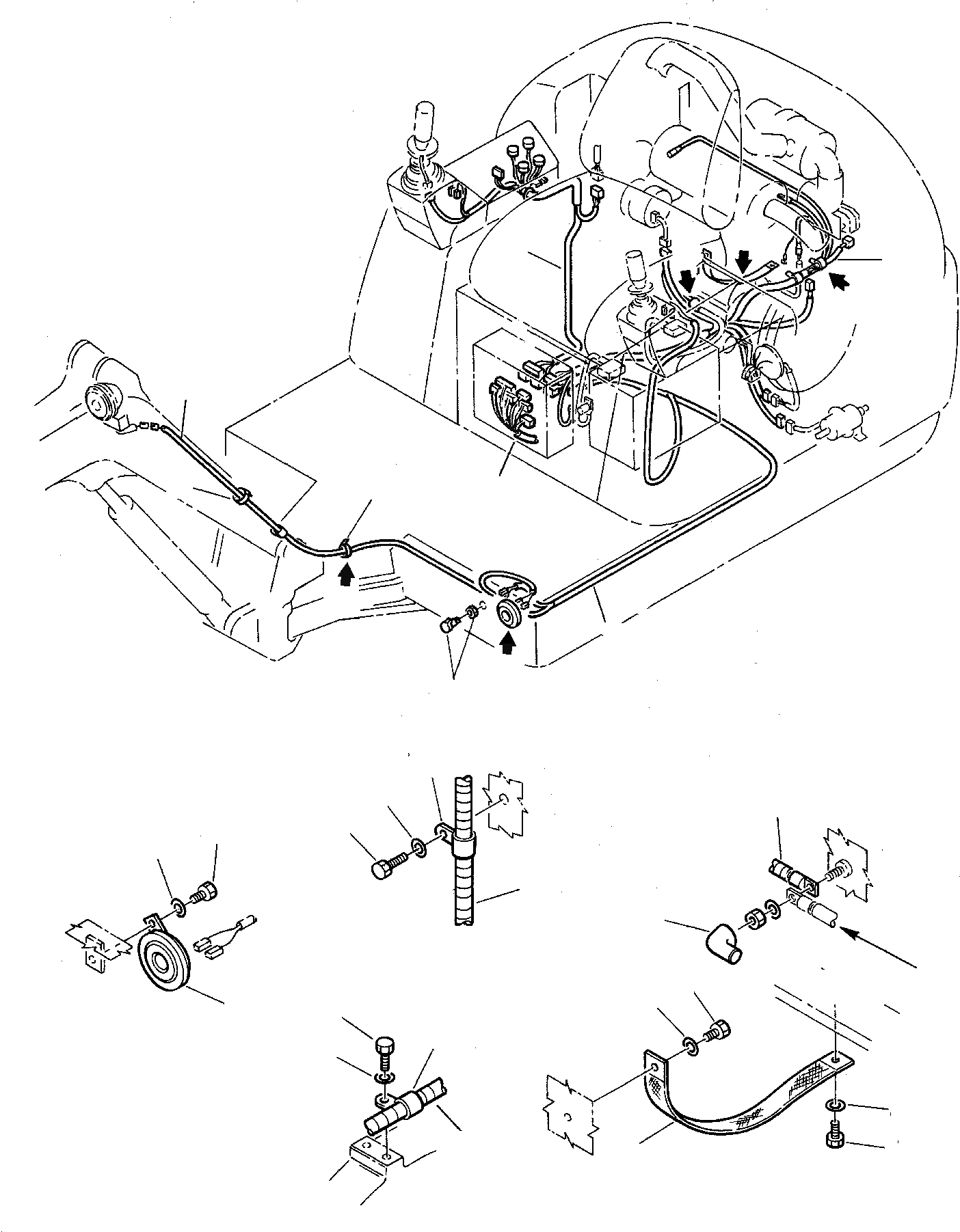
Запчасти Komatsu PC07-2 ЭЛЕКТРИКА (ДВИГАТЕЛЬ ПРЕДОХРАНИТЕЛЬS, РЕЛЕ И ЛИНИЯ ПАНЕЛИ ПРИБОРОВ) КОМПОНЕНТЫ ДВИГАТЕЛЯ И ЭЛЕКТРИКА

Схема запчастей Komatsu PC07-2 - ЭЛЕКТРИКА (ДВИГАТЕЛЬ ПРЕДОХРАНИТЕЛЬS, РЕЛЕ И ЛИНИЯ ПАНЕЛИ ПРИБОРОВ) КОМПОНЕНТЫ ДВИГАТЕЛЯ И ЭЛЕКТРИКА
a
a
b
c
d
e
e
d
b
c
A
1
3
5
20
20
2
4
6
17
19
3
18
11
12
4
16
8
9
14
10
13
15
9
3
7
8
FIT
1:1
100%

Артикул

Название

Примечание

Количество

1

885270330

WIRING HARNESS

2

885270331

WIRING HARNESS

2

885270522

WIRING HARNESS

3

885270332

WIRING HARNESS

3

885270235

WIRING HARNESS

4

885270392

WIRING HARNESS, REAR

5

885270393

WIRING HARNESS

6

885411196

ELECTRICAL SOCKET

7

885280005

CABLE

8

801015084

BOLT

9

802170001

WASHER

10

885100001

HORN

11

801015084

BOLT

12

802170001

WASHER

13

802660500

HOSE-CLAMP

14

801015106

BOLT

15

802170002

WASHER

16

885240002

CAP

17

802660504

COLLAR

18

801015084

BOLT

19

802170001

WASHER

20

885180004

HOSE-CLAMP

Выбрано товаров: 22