Запчасти Komatsu PC07-2 КОЖУХ, МАХОВИК - МАСЛЯНЫЙ ПОДДОН ДВИГАТЕЛЬ

Схема запчастей Komatsu PC07-2 - КОЖУХ, МАХОВИК - МАСЛЯНЫЙ ПОДДОН ДВИГАТЕЛЬ
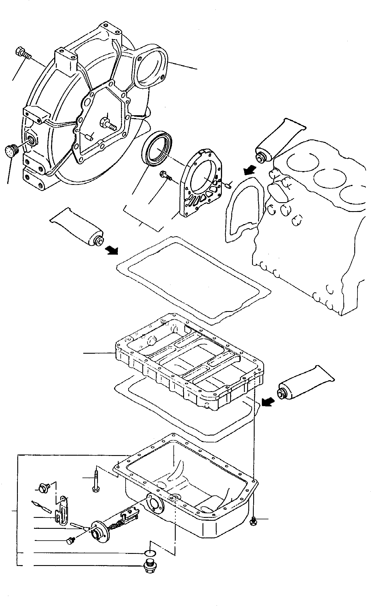
21
2
5
3
1
6
4
9
10
8
7
11
20
12
16
19
17
18
15
13
FIT
1:1
100%

Артикул

Название

Примечание

Количество

1

YMR000097

PARALLEL PIN

2

YMR000638

FLYWHEEL HOUSING

3

YMR000639

BOLT PLATED

4

YMR000019

PLUG

5

YMR000419

BOLT PLATED

6

YMR000640

PARALLEL PIN

7

YMR000641

OIL SEAL CASE, ASSY.

8

YMR000642

FLANGE

9

YMR000643

SEAL, OIL

10

YMR000644

BOLT PLATED

11

YMR000645

SPACER

12

YMR000646

LUBRICATING OIL SUMP, ASSY.

13

YMR000343

PLUG (EXCEPT TBG)

13

500601257

PLUG (ONLY FOR TBG)

15

YMR000388

O-RING

16

YMR000647

CLAMP

17

YMR000648

OIL LEVEL TRANSMITTER

18

YMR000649

BOLT PLATED

19

YMR000395

SCREW

20

YMR000650

BOLT PLATED

21

YMR000651

BOLT, CLAMP

Выбрано товаров: 21