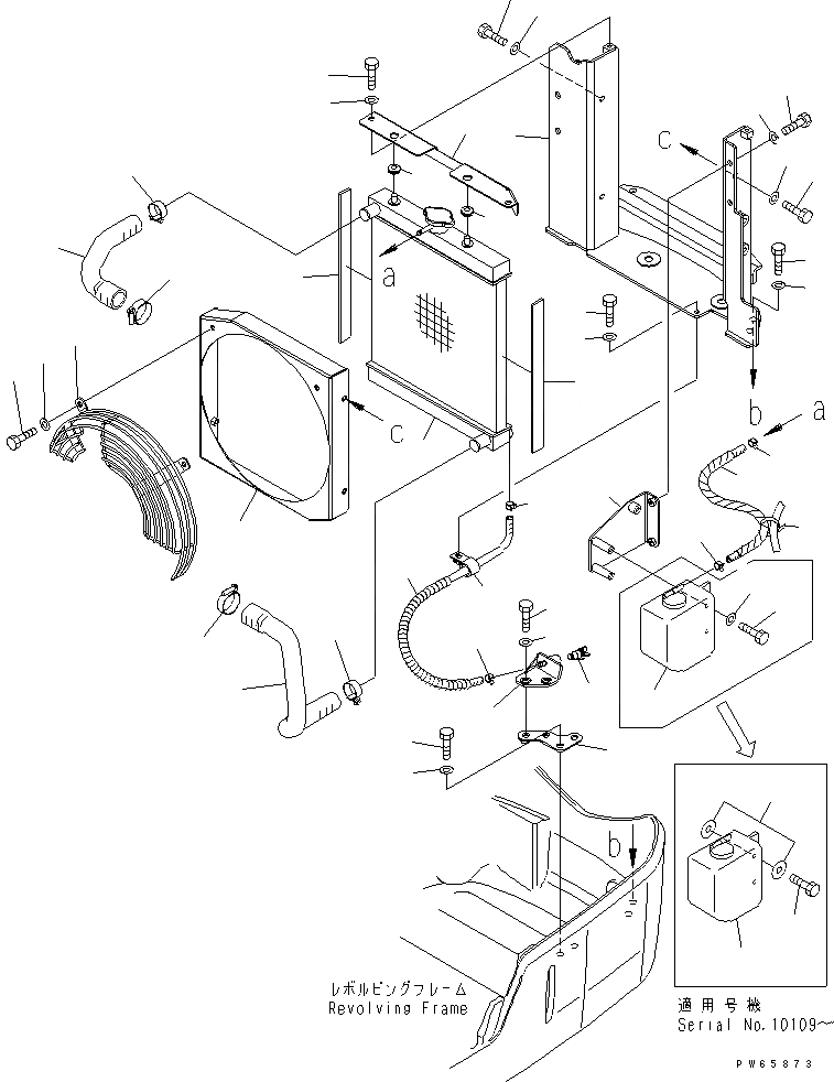
Запчасти Komatsu PC09-1-A РАДИАТОР И ТРУБЫ СИСТЕМА ОХЛАЖДЕНИЯ

Схема запчастей Komatsu PC09-1-A - РАДИАТОР И ТРУБЫ СИСТЕМА ОХЛАЖДЕНИЯ
1
2
2
3
4
4
5
5
6
6
7
8
9
10
11
12
13
14
15
15
16
16
17
18
19
20
21
22
23
23
24
24
25
25
26
27
28
28
29
30
31
32
33
34
35
36
36
37
37
38
38
FIT
1:1
100%

Артикул

Название

Примечание

Количество

1

21S-03-31111

RADIATOR CORE ASS'Y

2

21S-03-31190

SHEET

3

21S-03-31121

SHROUD

4

01010-80820

BOLT

5

01643-30823

WASHER

6

08037-01008

GROMMET

7

21S-03-31152

BRACKET

8

01010-81025

BOLT

9

01643-31032

WASHER

10

21S-03-31161

PLATE

11

01010-80820

BOLT

12

01643-30823

WASHER

13

21S-03-31131

HOSE

14

21S-03-31141

HOSE

15

07281-00289

CLAMP

16

07281-00419

CLAMP

17

21S-03-31182

COVER,FAN

|17

21S-03-31181

COVER,FAN

18

01010-80820

BOLT

19

01643-30823

WASHER

20

21S-03-31212

BRACKET

21

01010-80820

BOLT

22

01643-30823

WASHER

23

YM121468-44510

TANK ASS'Y

24

01010-80620

BOLT

25

21U-54-31250

WASHER

|25

01643-30623

WASHER

26

21S-03-31240

HOSE

|26

22J-03-15180

HOSE

27

08034-40521

BAND

28

07285-00115

CLIP

29

21U-03-31370

BOSS

30

21U-03-31181

COCK

31

21S-03-31220

PLATE

32

22J-06-15160

CLIP

33

01010-80820

BOLT

34

01643-30823

WASHER

35

21S-03-31230

HOSE

36

07285-00115

CLIP

37

01010-81020

BOLT

38

01643-31032

WASHER

Выбрано товаров: 41