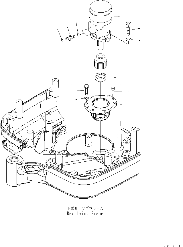
Запчасти Komatsu PC09-1 МЕХАНИЗМ ПОВОРОТА И МОТОР КРЕПЛЕНИЕ(№-) ПОВОРОТН. КРУГ И КОМПОНЕНТЫ

Схема запчастей Komatsu PC09-1 - МЕХАНИЗМ ПОВОРОТА И МОТОР КРЕПЛЕНИЕ(№-) ПОВОРОТН. КРУГ И КОМПОНЕНТЫ
1
2
3
4
5
6
7
8
9
10
11
12
FIT
1:1
100%

Артикул

Название

Примечание

Количество

1

20A-60-13100

MOTOR ASS'Y,SWING (SEE FIG.Y1640-01A0)

2

21S-60-31511

GAUGE

3

21S-60-13520

GEAR

4

06004-06205

BEARING

5

01252-71230

BOLT

6

01643-51232

WASHER

7

01010-81030

BOLT

8

01643-31032

WASHER

9

21S-60-13530

PIN

10

21S-62-31511

UNION

11

07000-12018

O-RING

12

02896-11008

O-RING

Выбрано товаров: 0