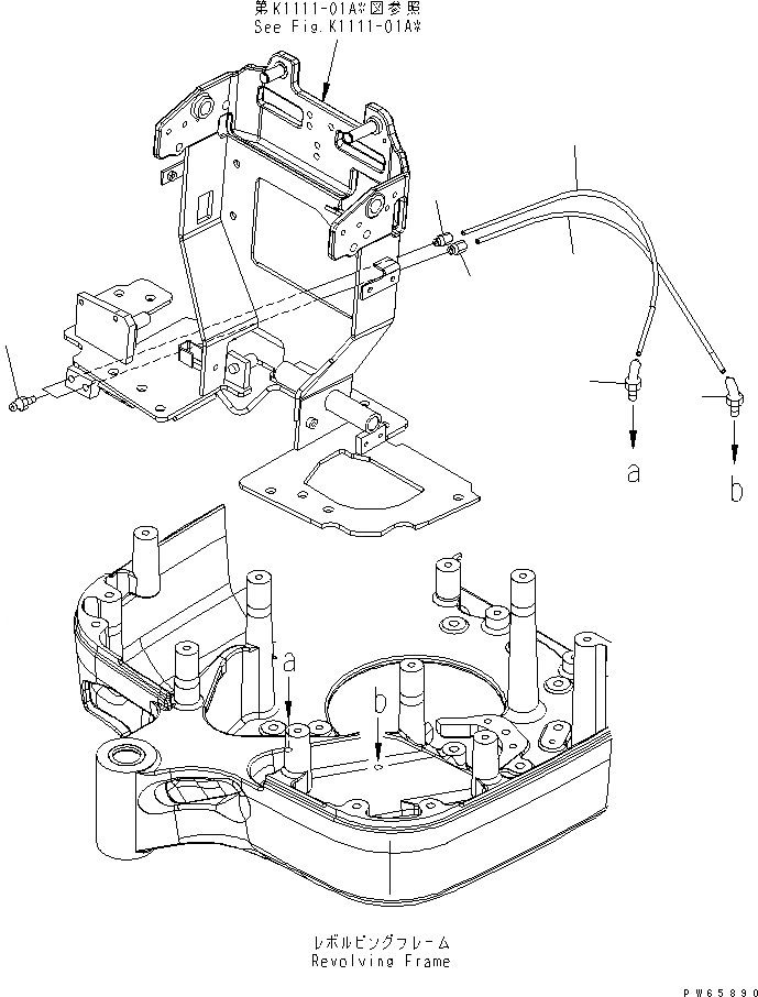
Запчасти Komatsu PC09-1 ОСНОВНАЯ РАМА СИСТЕМА СМАЗКИ ОСНОВНАЯ РАМА И ЕЕ ЧАСТИ
1
1
2
2
3
4
5
FIT
1:1
100%
№
Артикул
Название
Примечание
Количество
1
21R-46-11411
NIPPLE
2
21R-46-11421
ELBOW
3
21S-46-31151
TUBE
4
21S-46-21310
TUBE
5
07020-00000
FITTING,GREASE
Выбрано товаров: 5