Запчасти Komatsu PC09-1 ОСНОВН. РЫЧАГ УПРАВЛ-Я (УПРАВЛЕНИЕ ПОВОРОТОМ СТРЕЛЫ ПЕДАЛЬ) КАБИНА ОПЕРАТОРА И СИСТЕМА УПРАВЛЕНИЯ

Схема запчастей Komatsu PC09-1 - ОСНОВН. РЫЧАГ УПРАВЛ-Я (УПРАВЛЕНИЕ ПОВОРОТОМ СТРЕЛЫ ПЕДАЛЬ) КАБИНА ОПЕРАТОРА И СИСТЕМА УПРАВЛЕНИЯ
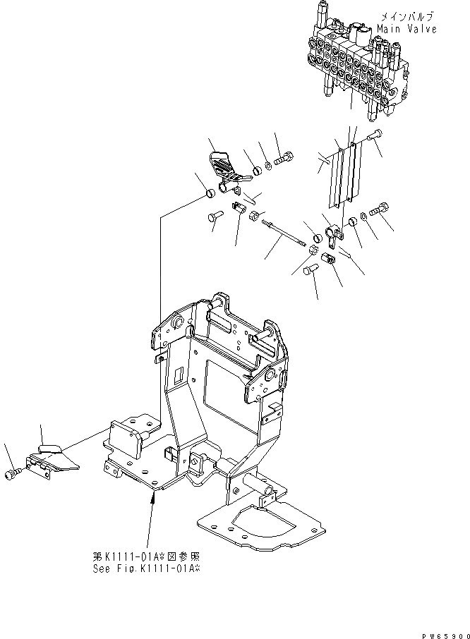
1
2
2
3
4
5
6
6
7
8
9
9
10
11
12
13
14
15
16
17
17
18
18
19
20
FIT
1:1
100%

Артикул

Название

Примечание

Количество

1

21S-43-31640

PEDAL,SWING

2

20A-43-11280

BUSHING

3

154-61-16570

WASHER

4

01010-80816

BOLT

5

21S-43-31610

LEVER,SWING

6

20A-43-11280

BUSHING

7

154-61-16570

WASHER

8

01010-80816

BOLT

9

21S-43-31630

PLATE

10

21S-43-31260

PIN

11

04050-11210

PIN,COTTER

12

04210-20624

YOKE

13

01580-10605

NUT

14

04248-30614

ROD

15

04220-20624

YOKE

16

01508-40603

NUT

17

04205-10618

PIN

18

04050-11612

PIN,COTTER

19

21S-43-31622

LOCK,SWING

19

21S-43-31621

LOCK,SWING

20

01023-10825

SCREW

20

01023-10816

SCREW

Выбрано товаров: 22