Качественные детали и логистика
Оригинальные и аналоговые запчасти с доставкой по России, Казахстану и Беларуси
©2022 PartSell ООО "Система" ИНН 2463123282 ОГРН 1212400004838
Центральный офис: г. Красноярск, Академика Киренского, д.87, пом.4
Телефон: 8 (800) 777-65-74 Email: zakaz@partsell.ru
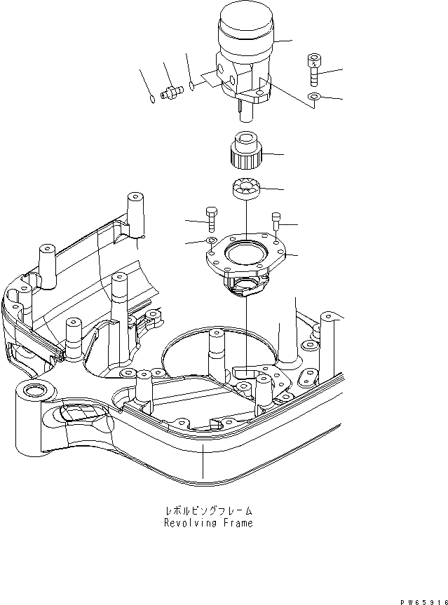
МЕХАНИЗМ ПОВОРОТА И МОТОР КРЕПЛЕНИЕ(№-)
№
Артикул
Название
Примечание
Количество
1
20A-60-13100
MOTOR ASS'Y,SWING (SEE FIG.Y1640-01A0)
2
21S-60-31511
GAUGE
3
21S-60-13520
GEAR
4
06004-06205
BEARING
5
01252-71230
BOLT
6
01643-51232
WASHER
7
01010-81030
8
01643-31032
9
21S-60-13530
PIN
10
21S-62-31511
UNION
11
07000-12018
O-RING
12
02896-11008
Выбрано товаров: 0