Запчасти Komatsu PC09-1 ОСНОВН. РЫЧАГ УПРАВЛ-Я (КОРПУС И ХОД) КАБИНА ОПЕРАТОРА И СИСТЕМА УПРАВЛЕНИЯ

Схема запчастей Komatsu PC09-1 - ОСНОВН. РЫЧАГ УПРАВЛ-Я (КОРПУС И ХОД) КАБИНА ОПЕРАТОРА И СИСТЕМА УПРАВЛЕНИЯ
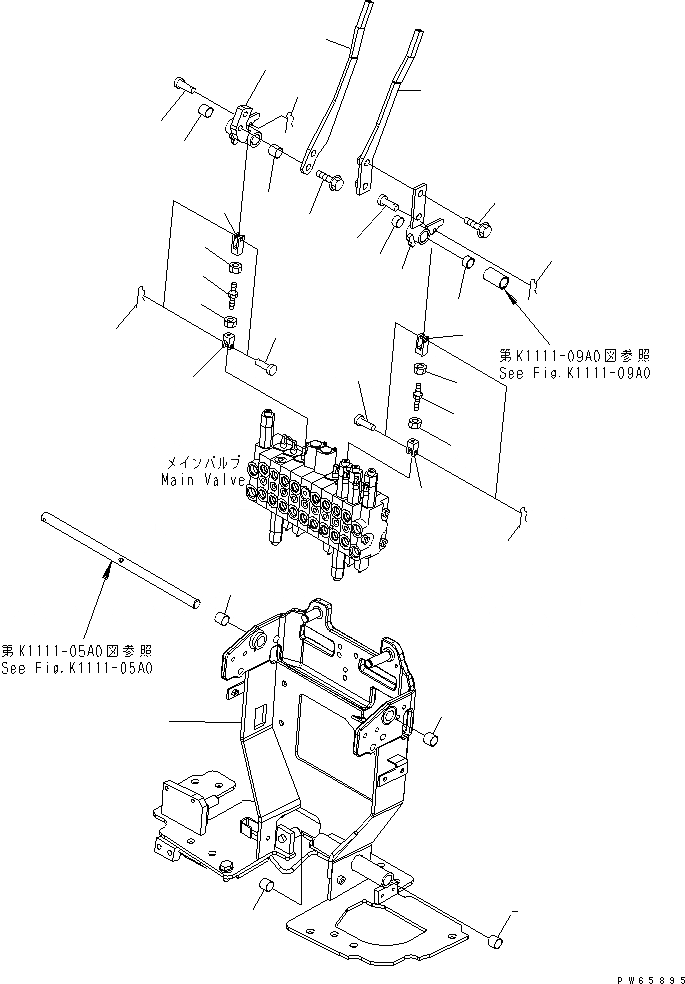
1
2
2
2
2
3
4
4
5
6
7
8
8
9
10
11
11
12
12
13
13
14
14
15
15
16
16
16
16
17
17
17
17
FIT
1:1
100%

Артикул

Название

Примечание

Количество

1

21S-43-31115

BRACKET,MAIN

1

21S-43-31114

BRACKET,MAIN

1

21S-43-31113

BRACKET,MAIN

1

21S-43-31112

BRACKET,MAIN

2

09350-01615

BUSHING

3

21S-43-32111

LEVER,L.H.

4

20A-43-11280

BUSHING

5

21S-43-32122

LEVER,L.H.

6

01435-01020

BOLT

7

21S-43-32131

LEVER,R.H.

8

09350-01615

BUSHING

9

21S-43-32142

LEVER,R.H.

10

01435-01020

BOLT

11

21S-43-31230

YOKE

12

01580-10605

NUT

13

21S-43-31241

YOKE

14

21S-43-31250

ROD

15

01508-40603

NUT

16

21S-43-31260

PIN

17

04050-11210

PIN,COTTER

17

04052-10530

PIN,SNAP

Выбрано товаров: 21