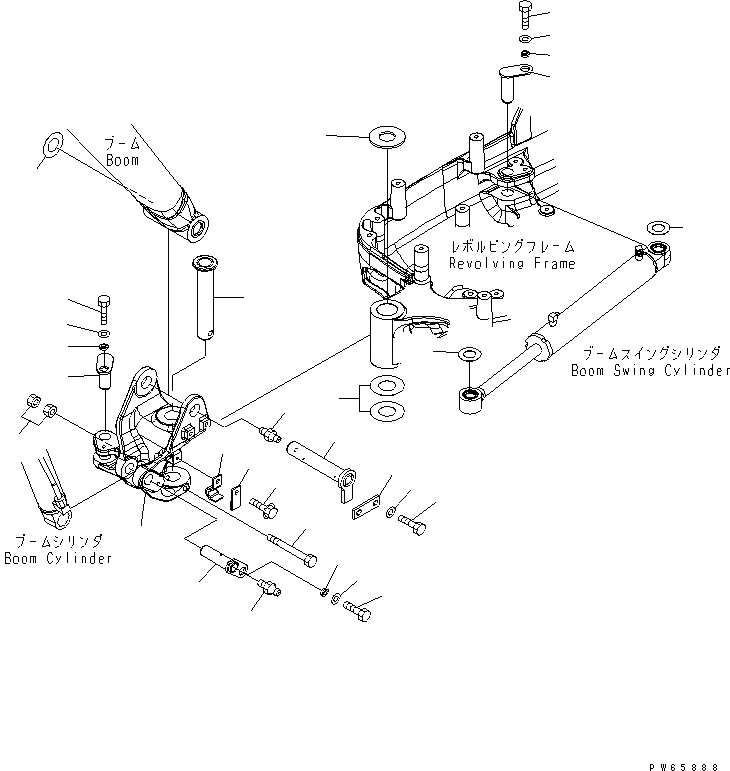
Запчасти Komatsu PC09-1 ПОВОРОТН. БЛОК ОСНОВНАЯ РАМА И ЕЕ ЧАСТИ

Схема запчастей Komatsu PC09-1 - ПОВОРОТН. БЛОК ОСНОВНАЯ РАМА И ЕЕ ЧАСТИ
1
2
3
4
5
6
7
8
9
10
11
12
13
14
15
16
17
18
19
20
21
22
23
24
25
26
27
28
29
30
FIT
1:1
100%

Артикул

Название

Примечание

Количество

1

21S-70-31413

BRACKET

2

21S-70-31420

PIN

3

21S-70-31431

PLATE

4

01010-81095

BOLT

5

01580-11008

NUT

6

21S-70-31160

PIN

7

07020-00000

FITTING,GREASE

8

20M-70-61120

PLATE

9

01010-81020

BOLT

10

01643-31032

WASHER

11

21S-70-31171

PIN

12

07020-00000

FITTING,GREASE

13

22J-70-11550

COLLAR

14

01010-81020

BOLT

15

01643-31032

WASHER

16

22J-70-11511

PIN

17

22J-70-11550

COLLAR

18

01010-81020

BOLT

19

01643-31032

WASHER

20

21R-70-11380

SPACER, 1.0MM

21

22K-70-11151

SPACER, 0.5MM

21

22K-70-11170

SPACER, 1.0MM

22

22J-70-11511

PIN

23

22J-70-11550

COLLAR

24

01010-81020

BOLT

25

01643-31032

WASHER

26

21R-70-11380

SPACER, 1.0MM

27

22J-70-11560

SPACER, 0.5MM

28

21S-70-31450

CLAMP

29

21S-70-31460

CLAMP

30

01435-00816

BOLT

Выбрано товаров: 31