Запчасти Komatsu PC09-1 ОСНОВН. РЫЧАГ УПРАВЛ-Я (РЫЧАГ БЛОКИРОВКИ)(№-) КАБИНА ОПЕРАТОРА И СИСТЕМА УПРАВЛЕНИЯ

Схема запчастей Komatsu PC09-1 - ОСНОВН. РЫЧАГ УПРАВЛ-Я (РЫЧАГ БЛОКИРОВКИ)(№-) КАБИНА ОПЕРАТОРА И СИСТЕМА УПРАВЛЕНИЯ
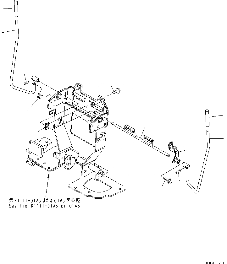
1
2
3
4
5
6
7
8
8
9
10
11
FIT
1:1
100%

Артикул

Название

Примечание

Количество

1

21S-43-31471

SHAFT

2

21S-43-31421

BRACKET,L.H.

3

01435-00814

BOLT

4

21S-43-31441

LEVER, L.H.,LOCK

5

21R-43-21150

PIN

5

04025-00524

PIN

6

21S-43-31451

LEVER, R.H.,LOCK

7

21R-43-21150

PIN

7

04025-00524

PIN

8

417-43-28270

CAP

9

09467-00002

SPRING

10

21S-43-31460

BRACKET,LOCK

11

01435-00620

BOLT

Выбрано товаров: 13