Запчасти Komatsu PC09-1 ОСНОВН. РЫЧАГ УПРАВЛ-Я (ПОВОРОТН. И РУКОЯТЬ)(№-) КАБИНА ОПЕРАТОРА И СИСТЕМА УПРАВЛЕНИЯ

Схема запчастей Komatsu PC09-1 - ОСНОВН. РЫЧАГ УПРАВЛ-Я (ПОВОРОТН. И РУКОЯТЬ)(№-) КАБИНА ОПЕРАТОРА И СИСТЕМА УПРАВЛЕНИЯ
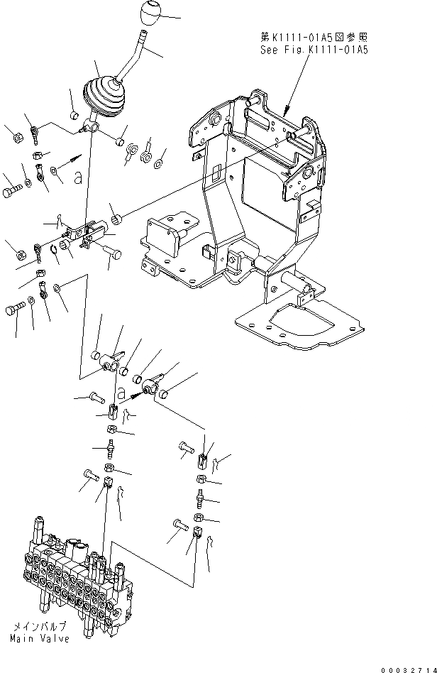
1
2
2
3
4
5
6
6
7
8
8
9
9
9
9
10
10
11
11
12
12
13
13
14
15
16
17
18
19
20
20
21
22
22
23
23
24
24
25
25
26
26
27
27
28
28
28
28
29
29
29
29
FIT
1:1
100%

Артикул

Название

Примечание

Количество

1

21S-43-31313

LEVER,L.H.

2

21A-43-11280

BUSHING

3

203-43-41910

KNOB

4

20M-43-71422

BOOT

5

21S-43-31331

LEVER,L.H.

6

21A-43-11250

BEARING

7

04064-01410

RING

8

01010-80620

BOLT

9

04254-10623

SPACER

10

22J-43-11731

NUT

11

21A-43-11170

ROD END

12

21A-43-11180

ROD END

13

01580-10605

NUT

14

01641-21423

WASHER

15

20A-43-11290

SPACER, 1.0MM

16

20A-43-11810

SPACER, 0.5MM

17

04205-11448

PIN

18

04050-14028

PIN,COTTER

19

21S-43-31351

LEVER

20

20A-43-11280

BUSHING

21

21S-43-31361

LEVER

22

20A-43-11280

BUSHING

23

21S-43-31230

YOKE

24

01580-10605

NUT

25

21S-43-31241

YOKE

26

21S-43-31250

ROD

27

01508-40603

NUT

28

21S-43-31260

PIN

29

04050-11210

PIN,COTTER

Выбрано товаров: 0