Запчасти Komatsu PC09-1 ОСНОВН. РЫЧАГ УПРАВЛ-Я (2 SPEED CHANGE ПЕДАЛЬ) (ФИКС. GAUGE СПЕЦ-Я.) КАБИНА ОПЕРАТОРА И СИСТЕМА УПРАВЛЕНИЯ

Схема запчастей Komatsu PC09-1 - ОСНОВН. РЫЧАГ УПРАВЛ-Я (2 SPEED CHANGE ПЕДАЛЬ) (ФИКС. GAUGE СПЕЦ-Я.) КАБИНА ОПЕРАТОРА И СИСТЕМА УПРАВЛЕНИЯ
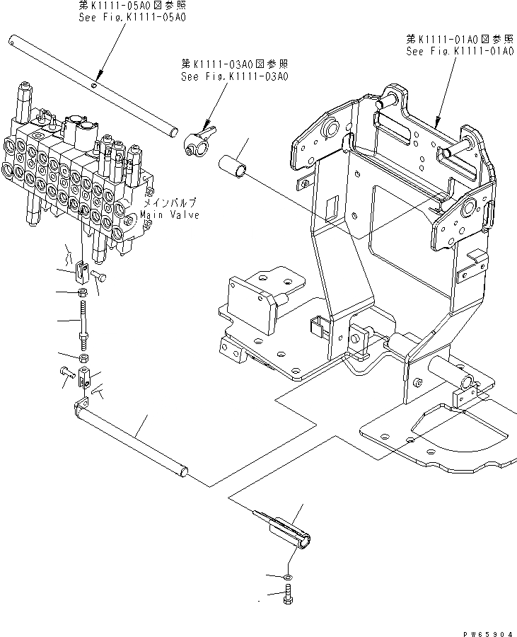
1
2
3
4
5
6
7
8
9
10
11
12
13
14
FIT
1:1
100%

Артикул

Название

Примечание

Количество

1

21S-43-31711

PEDAL,2-SPEED

|1

21S-43-31710

PEDAL,2-SPEED

2

21S-43-31722

SHAFT,2-SPEED

3

01010-80820

BOLT

|3

01010-80825

BOLT

4

01643-30823

WASHER

5

04205-10618

PIN

6

04050-11612

PIN,COTTER

7

04210-20624

YOKE

8

01580-10605

NUT

9

04248-30609

ROD

10

21S-43-31241

YOKE

11

01508-40603

NUT

12

21S-43-31260

PIN

13

04050-11210

PIN,COTTER

|13

04052-10530

PIN,SNAP

14

21S-43-31920

COLLAR

Выбрано товаров: 17