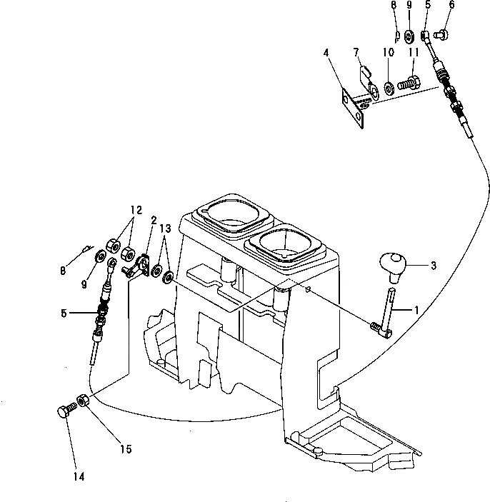
Запчасти Komatsu PC09FR-1 РЫЧАГ УПРАВЛ-Я ПОДАЧЕЙ ТОПЛИВА И МЕХАНИЗМ СИСТЕМА УПРАВЛЕНИЯ

Схема запчастей Komatsu PC09FR-1 - РЫЧАГ УПРАВЛ-Я ПОДАЧЕЙ ТОПЛИВА И МЕХАНИЗМ СИСТЕМА УПРАВЛЕНИЯ
FIT
1:1
100%

Артикул

Название

Примечание

Количество

1

YM17218312100K

LEVER,ACCELERATOR

2

YM17218612121K

ARM,ACCELERATOR

3

YM172146-12150

GRIP,ACCELERATOR

4

YM17218612110K

BRACKET,ACCELERATOR

5

YM172186-12101

CABLE,ACCELERATOR

6

YM172113-12521

PIN,CABLE

7

YM172126-16540

CLAMP

8

YM1C6281-52310

PIN,SNAP

9

YM22137-060000

WASHER

10

YM22217-080000

WASHER

11

YM26116-080202

BOLT

12

YM26756-120002

NUT

13

YM933170-01490

WASHER

14

YM26116-080252

BOLT

15

YM26716-080002

NUT

Выбрано товаров: 15