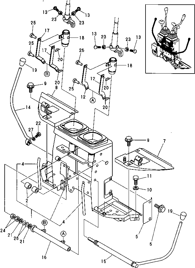
Запчасти Komatsu PC09FR-1 УПРАВЛ-Е ОБОРУД-Е (РЫЧАГ И СТОЙКА) СИСТЕМА УПРАВЛЕНИЯ

Схема запчастей Komatsu PC09FR-1 - УПРАВЛ-Е ОБОРУД-Е (РЫЧАГ И СТОЙКА) СИСТЕМА УПРАВЛЕНИЯ
FIT
1:1
100%

Артикул

Название

Примечание

Количество

1

YM17218645400K

SUPPORT ASS'Y

2

YM172141-41370

BUSHING

4

YM172186-45690

RUBBER

5

YM172186-45830

COVER

6

YM172519-63240

BOLT

7

YM17218645930K

COVER

8

YM17218645980K

COVER

9

YM172519-63240

BOLT

10

YM22217-100000

WASHER

11

YM26116-100202

BOLT

12

YM17214142701K

LINK,LOCK

13

YM172141-42750

BOLT,STOPPER

14

YM172186-45201

LEVER,LOCK

15

YM172186-45211

LEVER,LOCK

16

YM17218645241K

ARM ASS'Y,LOCK

17

YM17218645251K

LINK,LOCK

18

YM17215745581K

PIPE,LOCK

19

YM172116-46630

KNOB,LOCK LEVER

20

YM1C6281-52310

PIN,SNAP

21

YM22137-120000

WASHER

22

YM26076-060202

BOLT

23

YM26756-080002

NUT

24

YM26756-120002

NUT

25

YM933110-54100

PIN

26

YM933170-01490

WASHER

27

YM22217-060000

WASHER

Выбрано товаров: 26