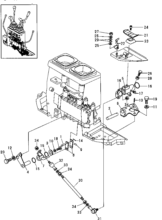
Запчасти Komatsu PC09FR-1 УПРАВЛ-Е ОБОРУД-Е (МЕХ-М ОТБОРА МОЩН-ТИ И НИЗ.-ВЫС. ПЕДАЛЬ) СИСТЕМА УПРАВЛЕНИЯ

Схема запчастей Komatsu PC09FR-1 - УПРАВЛ-Е ОБОРУД-Е (МЕХ-М ОТБОРА МОЩН-ТИ И НИЗ.-ВЫС. ПЕДАЛЬ) СИСТЕМА УПРАВЛЕНИЯ
FIT
1:1
100%

Артикул

Название

Примечание

Количество

1

YM172072-21370

PIN,SPOOL

2

YM172146-41910

PIN

3

YM1A1040-43900

WASHER

4

YM17218345261K

SHAFT,SWING

5

YM17218645300K

LINK ASS'Y

6

YM17218645350K

BRACKET

7

YM17218645790K

LINK ASS'Y

8

YM17218645820K

LINK,SPOOL

9

YM1C6281-52320

PIN,SNAP

10

YM22217-080000

WASHER

11

YM22217-100000

WASHER

12

YM22217-100000

WASHER

13

YM22351-040032

PIN

14

YM22417-160160

PIN

15

YM24311-000210

O-RING

16

YM24311-000210

O-RING

17

YM24761-050000

FITTING,GREASE

18

YM26116-080202

BOLT

19

YM26116-100202

BOLT

20

YM26116-100202

BOLT

21

YM172186-45040

PEDAL

22

YM172186-45910

ROCK

23

YM172157-45990

BOOTS,PEDAL

24

YM172165-46340

BOLT

25

YM22137-080000

WASHER

26

YM26116-080202

BOLT

27

YM26347-080002

NUT

28

YM26716-080002

NUT

29

YM172068-28490

SPRING

30

YM172149-42540

ROD

31

YM172122-46590

END

32

YM172122-47250

BALL,LINK

33

YM22117-080000

WASHER

34

YM26051-080002

NUT

Выбрано товаров: 34