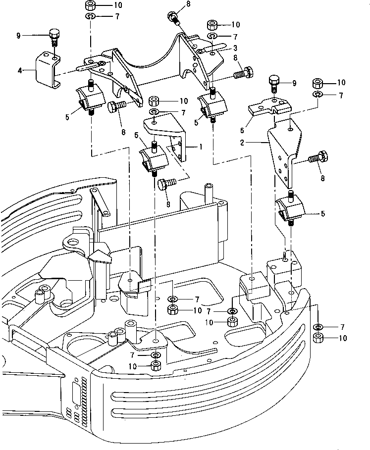
Запчасти Komatsu PC09FR-1 КРЕПЛЕНИЕ ДВИГАТЕЛЯ КОМПОНЕНТЫ ДВИГАТЕЛЯ И ЭЛЕКТРИКА

Схема запчастей Komatsu PC09FR-1 - КРЕПЛЕНИЕ ДВИГАТЕЛЯ КОМПОНЕНТЫ ДВИГАТЕЛЯ И ЭЛЕКТРИКА
FIT
1:1
100%

Артикул

Название

Примечание

Количество

1

YM17218613100K

MOUNT,L.H.

2

YM17218613110K

MOUNT,R.H.

3

YM17218613121K

MOUNT,R.H.

4

YM17218613180K

PLATE

5

YM172186-13190

CUSHION

6

YM17218613480K

PLATE

7

YM22217-100000

WASHER

8

YM26013-100252

BOLT

9

YM26013-100252

BOLT

10

YM26716-100002

NUT

Выбрано товаров: 10