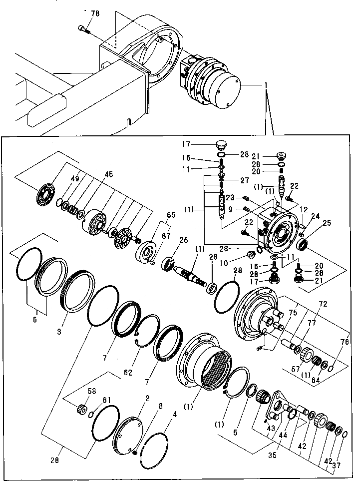
Запчасти Komatsu PC09FR-1 МОТОР ХОДА УПРАВЛ-Е РАБОЧИМ ОБОРУДОВАНИЕМ

Схема запчастей Komatsu PC09FR-1 - МОТОР ХОДА УПРАВЛ-Е РАБОЧИМ ОБОРУДОВАНИЕМ
FIT
1:1
100%

Артикул

Название

Примечание

Количество

1

YM172186-73300

MOTOR ASS'Y,TRAVEL

2

YM172157-70010

COVER

3

YM172157-70080

RING

4

YM172157-70090

RING

5

YM172157-70100

COLLAR,THRUST

6

YM172157-70140

SEAL

7

YM172157-70150

BEARING

8

YM172157-70210

PLUG

9

YM172157-70210

PLUG

10

YM172157-70230

PLUG

11

YM172157-70450

BOLT

12

YM172157-70490

PIN

16

YM172186-73150

SPRING

17

YM172186-73160

PLUG

20

YM172186-73200

SPRING

21

YM172186-73210

PLUG

22

YM172186-73240

BOLT

23

YM172186-73250

PLUG

24

YM22351-050012

PIN,SPRING

25

YM24101-060020

BEARING

26

YM24101-060044

BEARING

27

YM24311-000100

O-RING

28

YM172186-73270

SEAL KIT

35

YM172186-73280

CARRIER KIT

37

YM172157-70240

SNAP RING

42

YM172186-73430

WASHER

43

YM23351-030012

PIN

44

YM22242-000150

CLIP

45

YM172186-73290

CYLINDER BARREL KIT

49

YM172186-73220

PIN

57

YM172186-73360

GEAR

58

YM172186-73380

GEAR

61

YM172186-73450

RING

62

YM172186-73460

RING

64

YM172186-73490

WASHER

65

YM172186-73660

PLATE

67

YM22312-080100

PIN

72

YM172186-73260

MOTOR KIT

75

YM22351-030012

PIN

76

YM172157-70240

SNAP RING

77

YM172186-73430

WASHER

78

YM26450-100252

BOLT

Выбрано товаров: 42