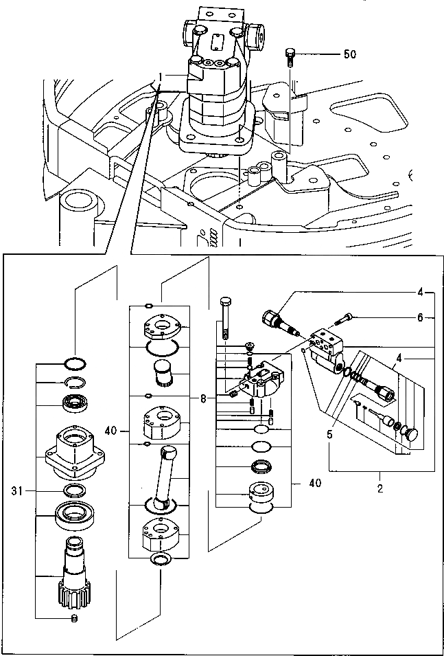
Запчасти Komatsu PC09FR-1 TURNING МОТОР УПРАВЛ-Е РАБОЧИМ ОБОРУДОВАНИЕМ

Схема запчастей Komatsu PC09FR-1 - TURNING МОТОР УПРАВЛ-Е РАБОЧИМ ОБОРУДОВАНИЕМ
FIT
1:1
100%

Артикул

Название

Примечание

Количество

1

YM172186-73310

MOTOR ASS'Y,SWING

2

YM172186-73330

VALVE ASS'Y

4

YM172186-73500

CARTRIDGE ASS'Y

5

YM172168-73360

SEAL KIT

6

YM172168-73370

BOLT

7

YM172186-73320

MOTOR ASS'Y

8

YM172186-73640

MOTOR ASS'Y

31

YM172186-73630

PINION ASS'Y

40

YM172186-73620

SEAL KIT,MOTOR

50

YM26013-120402

BOLT

Выбрано товаров: 10