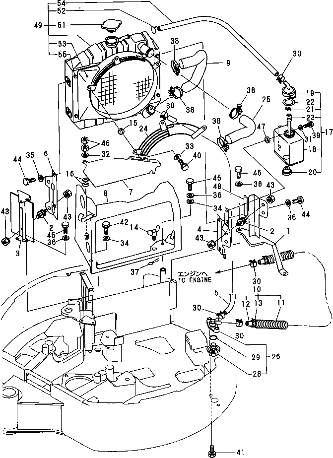
Запчасти Komatsu PC09FR-1 РАДИАТОР И ТРУБЫ КОМПОНЕНТЫ ДВИГАТЕЛЯ И ЭЛЕКТРИКА

Схема запчастей Komatsu PC09FR-1 - РАДИАТОР И ТРУБЫ КОМПОНЕНТЫ ДВИГАТЕЛЯ И ЭЛЕКТРИКА
FIT
1:1
100%

Артикул

Название

Примечание

Количество

1

YM17218613301K

MOUNT,RADIATOR

2

YM172122-13310

CUSHION,RADIATOR

3

YM17218613691K

MOUNT,RADIATOR

4

YM17218613411K

PLATE

5

YM172137-13430

PIPE,DRAIN

6

YM17218613532K

PLATE

7

YM17218613580K

PLATE

8

YM17218613612K

DUCT

9

YM172186-13630

HOSE

10

YM172186-13810

HOSE

11

YM172186-13820

TUBE

12

YM172116-14620

HOSE,FUEL

13

YM933168-55770

BAND

14

YM172186-17300

BOLT

15

YM172739-42530

COLLAR

16

YM172068-28490

SPRING

17

YM121468-44510

TANK ASS'Y

18

YM121470-44521

BODY,SUB TANK

19

YM121450-44531

CAP

20

YM121468-44540

PLUG,SUB TANK

21

YM124450-44560

CLAMP

22

YM121470-44581

GASKET

23

YM23065-070130

PIPE

24

YM119325-44600

NET,FAN

25

YM119325-49010

PIPE

26

YM121450-49110

VALVE ASS'Y,3-WAY

|27

BODY,COCK

28

YM121250-49121

PLUG

29

YM24311-000160

O-RING

30

YM124766-59050

CLAMP

31

YM22137-060000

WASHER

32

YM22137-080000

WASHER

33

YM22137-080000

WASHER

34

YM22137-100000

WASHER

35

YM22217-080000

WASHER

36

YM22217-100000

WASHER

37

YM22417-200150

PIN

38

YM23010-038000

CLAMP

39

YM26013-060252

BOLT

40

YM26013-080252

BOLT

41

YM26013-080302

BOLT

42

YM26013-100252

BOLT

43

YM26051-080002

NUT

44

YM26116-080162

BOLT

45

YM26116-100202

BOLT

46

YM26712-080002

NUT

47

YM194208-05310

CUSHION

48

YM172164-66670

RUBBER,SEAL

49

YM119325-44500

RADIATOR

51

YM119259-44570

CAP,RADIATOR

52

YM121250-44590

CLAMP

53

YM119325-44550

SHROUD

54

YM119325-44580

HOSE

55

YM26014-060122

BOLT

Выбрано товаров: 54