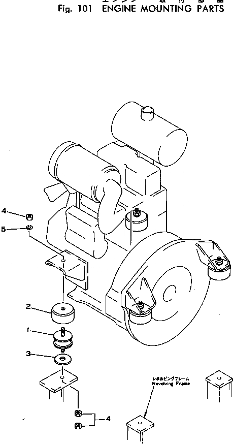
Запчасти Komatsu PC10-1 КРЕПЛЕНИЕ ДВИГАТЕЛЯ КОМПОНЕНТЫ ДВИГАТЕЛЯ И ЭЛЕКТРИКА

Схема запчастей Komatsu PC10-1 - КРЕПЛЕНИЕ ДВИГАТЕЛЯ КОМПОНЕНТЫ ДВИГАТЕЛЯ И ЭЛЕКТРИКА
FIT
1:1
100%

Артикул

Название

Примечание

Количество

1

20N-01-13210

CUSHION

2

20N-01-13220

SPACER

3

20R-01-12140

SPACER

4

01580-11210

NUT

5

01602-21236

WASHER,SPRING

Выбрано товаров: 0