Запчасти Komatsu PC10-1 ГИДРОЛИНИЯ (КЛАПАН TO/FROM МОТОР ПОВОРОТА) ПОВОРОТН. СИСТЕМА

Схема запчастей Komatsu PC10-1 - ГИДРОЛИНИЯ (КЛАПАН TO/FROM МОТОР ПОВОРОТА) ПОВОРОТН. СИСТЕМА
FIT
1:1
100%

Артикул

Название

Примечание

Количество

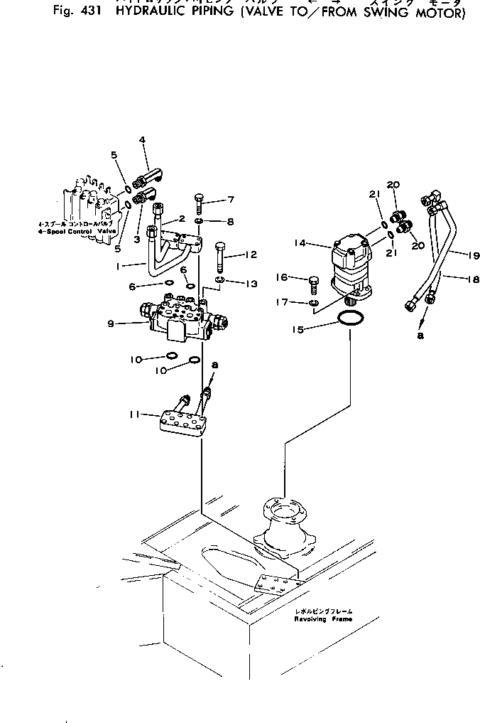
1

20N-62-12111

TUBE

2

20N-62-12121

TUBE

3

20R-62-11311

ELBOW

4

20R-62-11360

ELBOW

5

07002-12034

O-RING

6

07000-13025

O-RING

7

01010-30840

BOLT

8

01602-00825

WASHER,SPRING

9

706-73-72300

BRAKE VALVE ASS'Y

10

07000-13025

O-RING

11

20N-62-12131

TUBE

12

01011-31025

BOLT

13

01602-01030

WASHER,SPRING

14

20N-60-16100

SWING MOTOR ASS'Y

15

07000-02085

O-RING

16

01252-41240

BOLT

17

01602-01236

WASHER,SPRING

18

20N-62-12182

TUBE

19

20N-62-12172

TUBE

20

20N-62-12160

NIPPLE

21

07000-12018

O-RING

Выбрано товаров: 21