Качественные детали и логистика
Оригинальные и аналоговые запчасти с доставкой по России, Казахстану и Беларуси
©2022 PartSell ООО "Система" ИНН 2463123282 ОГРН 1212400004838
Центральный офис: г. Красноярск, Академика Киренского, д.87, пом.4
Телефон: 8 (800) 777-65-74 Email: zakaz@partsell.ru
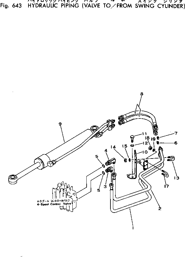
ГИДРОЛИНИЯ (КЛАПАН TO/FROM ПОВОРОТН. ЦИЛИНДР)
№
Артикул
Название
Примечание
Количество
1
20N-62-12511
TUBE
2
20N-62-12521
3
07235-10315
ELBOW
4
20R-62-11311
5
07002-12034
O-RING
6
20N-62-12550
PLUG
7
20N-62-12560
8
07123-00304
HOSE
9
20R-63-86101
CYLINDER ASS'Y,(SEE FIG.631)
10
20N-62-12540
PLATE
11
01010-31020
BOLT
12
01602-01030
WASHER,SPRING
13
07283-21529
CLIP
14
01598-00809
NUT
15
01643-30823
WASHER
16
20N-62-11390
17
18
19
Выбрано товаров: 0