Качественные детали и логистика
Оригинальные и аналоговые запчасти с доставкой по России, Казахстану и Беларуси
©2022 PartSell ООО "Система" ИНН 2463123282 ОГРН 1212400004838
Центральный офис: г. Красноярск, Академика Киренского, д.87, пом.4
Телефон: 8 (800) 777-65-74 Email: zakaz@partsell.ru
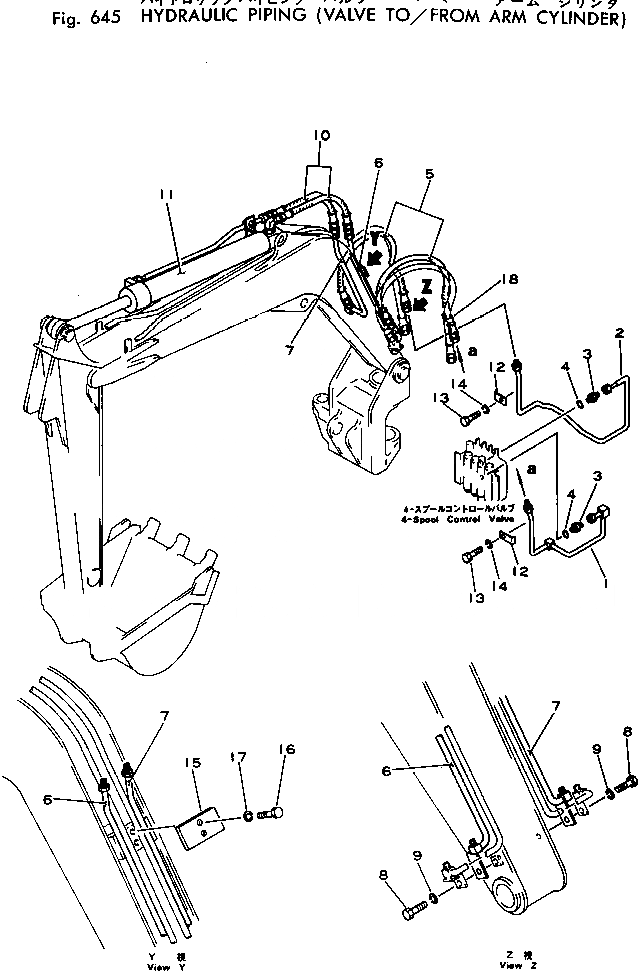
ГИДРОЛИНИЯ (КЛАПАН TO/FROM ЦИЛИНДР РУКОЯТИ)
№
Артикул
Название
Примечание
Количество
1
20N-62-14130
TUBE
2
20N-62-14140
3
07230-10315
UNION
4
07002-12034
O-RING
5
07423-40309
HOSE
6
20N-62-14520
7
20N-62-14510
8
01010-31020
BOLT
9
01602-01030
WASHER,SPRING
10
07123-40205
11
20N-63-66101
CYLINDER ASS'Y,(SEE FIG.633)
12
20N-62-14150
CLAMP
13
01040-31020
14
15
20N-62-14610
PLATE
16
01010-31035
17
18
08014-00834
BUSHING
Выбрано товаров: 0