Качественные детали и логистика
Оригинальные и аналоговые запчасти с доставкой по России, Казахстану и Беларуси
©2022 PartSell ООО "Система" ИНН 2463123282 ОГРН 1212400004838
Центральный офис: г. Красноярск, Академика Киренского, д.87, пом.4
Телефон: 8 (800) 777-65-74 Email: zakaz@partsell.ru
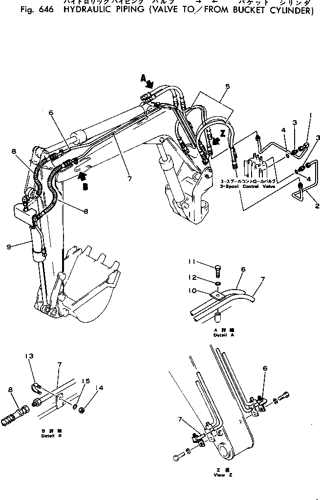
ГИДРОЛИНИЯ (КЛАПАН TO/FROM ЦИЛИНДР КОВША)
№
Артикул
Название
Примечание
Количество
1
20N-62-14160
TUBE
2
20N-62-14170
3
07230-10315
UNION
4
07002-12034
O-RING
5
07123-40309
HOSE
6
20N-62-14550
7
20N-62-14560
8
07123-20306
9
20N-63-76101
CYLINDER ASS'Y,(SEE FIG.634)
10
20N-62-14620
PLATE
11
01010-30820
BOLT
12
01602-00825
WASHER,SPRING
13
07283-21529
CLIP
14
01598-00809
NUT
15
01643-30823
WASHER
Выбрано товаров: 0