Качественные детали и логистика
Оригинальные и аналоговые запчасти с доставкой по России, Казахстану и Беларуси
©2022 PartSell ООО "Система" ИНН 2463123282 ОГРН 1212400004838
Центральный офис: г. Красноярск, Академика Киренского, д.87, пом.4
Телефон: 8 (800) 777-65-74 Email: zakaz@partsell.ru
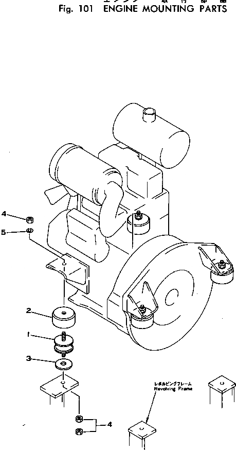
КРЕПЛЕНИЕ ДВИГАТЕЛЯ
№
Артикул
Название
Примечание
Количество
1
20N-01-13210
CUSHION
2
20N-01-13220
SPACER
3
20R-01-12140
4
01580-11210
NUT
5
01602-21236
WASHER,SPRING
Выбрано товаров: 0