Запчасти Komatsu PC10-1 МАРКИРОВКА ОСНОВНАЯ РАМА И КАБИНА

Схема запчастей Komatsu PC10-1 - МАРКИРОВКА ОСНОВНАЯ РАМА И КАБИНА
FIT
1:1
100%

Артикул

Название

Примечание

Количество

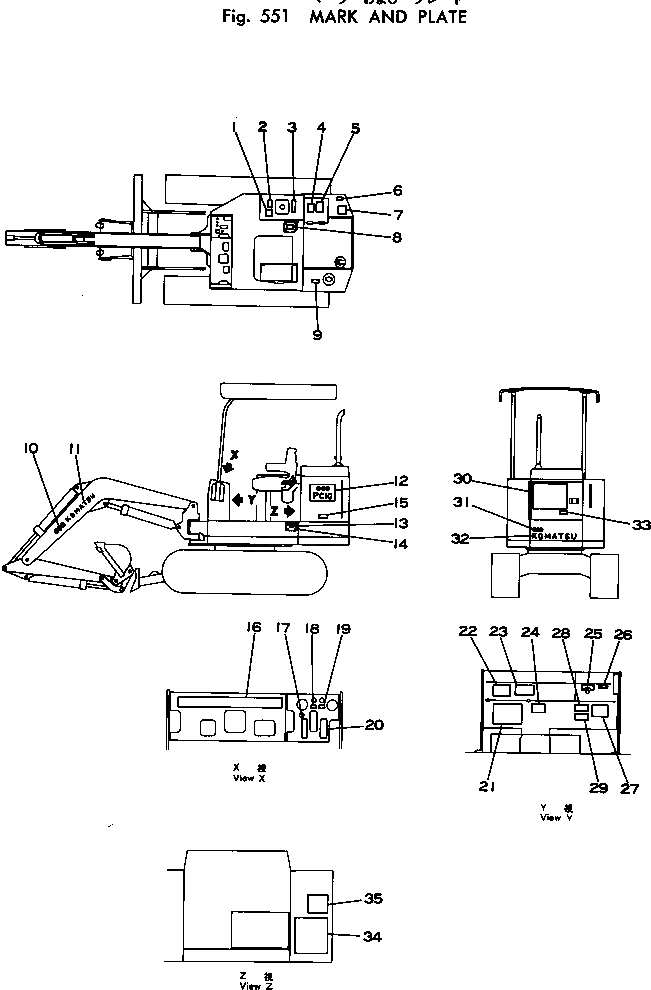
1

09653-00100

PLATE, SAFETY,HYDRAULIC TANK

2

09656-01080

PLATE, INSTRUCTION,STRAINER

3

203-00-21190

PLATE, INSTRUCTION,RECOMMENDED HYDRAULIC OIL

4

10E-54-13130

PLATE, CAUTION,FUEL FILTER

5

09641-00660

PLATE, INSTRUCTION,AIR CLEANER

6

09668-00100

PLATE, SAFETY,RADIATOR CAP

7

09650-01103

PLATE, INSTRUCTION,RADIATOR

8

203-00-21180

PLATE, CAUTION,ELEMENT

9

09101-00100

PLATE, INSTRUCTION,RECOMMENDED FUEL OIL

10

09694-00140

PLATE, MARK

11

09690-00450

PLATE, MARK

12

20N-54-16221

PLATE, MARK

13

09601-00835

PLATE, NAME,(LIMITED SUPPLY)

14

04418-13060

SCREW

15

09652-01101

PLATE, CAUTION,FUEL TANK

16

20N-54-16180

PLATE, OPERATING,INSTRUCTION

17

20N-54-16190

PLATE, OPERATING,BLADE

18

09609-00302

PLATE, NAME,OIL PRESSURE

19

09609-00301

PLATE, NAME,CHARGE LAMP

20

20N-54-16170

PLATE, INSTRUCTION,FUEL CONTROL

21

20R-54-15391

PLATE, CAUTION,TRACK LOADING INSTRUCTION

22

09132-00100

PLATE, SAFETY,WARNING

23

20N-54-16151

PLATE, CAUTION,PARKING

24

09173-00100

PLATE, SAFETY

25

09683-01060

PLATE, OPERATING,STARTING SWITCH

26

09609-00308

PLATE, NAME,LAMP SWITCH

27

20R-57-11140

PLATE, CAUTION,SWING LOCK

28

09651-00100

PLATE, SAFETY,BEFORE OPERATING

29

09131-00100

PLATE, SAFETY,SWING LOCK

30

09133-00100

PLATE, CAUTION,KEEP OUT OF TURNING AREA

31

09694-00112

PLATE, MARK

32

09690-00500

PLATE, MARK

33

09667-00100

PLATE, SAFETY,ENGINE COVER

34

20N-54-16211

CHART, OIL

35

20N-54-16111

PLATE, DATA

Выбрано товаров: 35