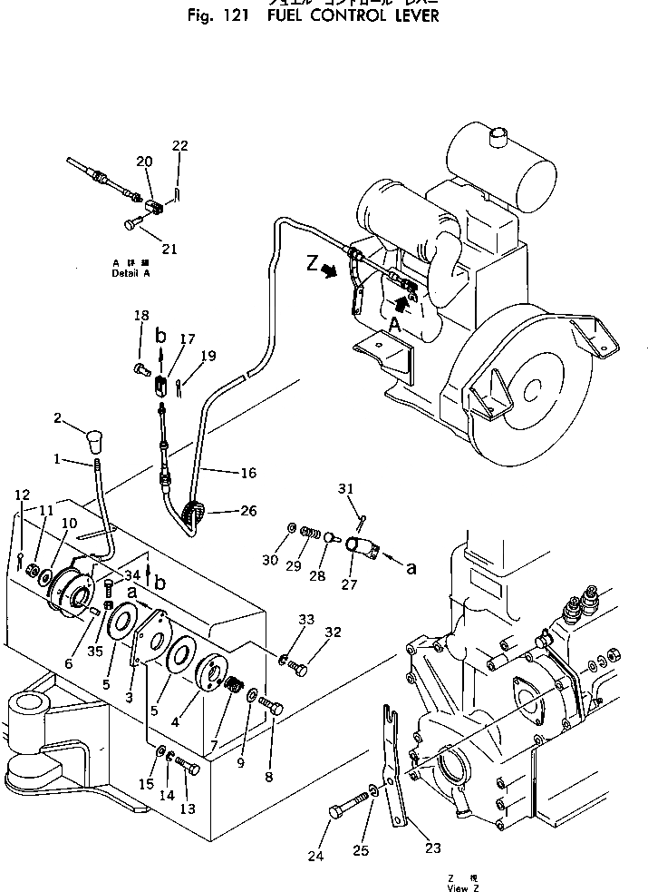
Запчасти Komatsu PC10-1 РЫЧАГ УПРАВЛ-Я ПОДАЧЕЙ ТОПЛИВА КОМПОНЕНТЫ ДВИГАТЕЛЯ И ЭЛЕКТРИКА

Схема запчастей Komatsu PC10-1 - РЫЧАГ УПРАВЛ-Я ПОДАЧЕЙ ТОПЛИВА КОМПОНЕНТЫ ДВИГАТЕЛЯ И ЭЛЕКТРИКА
FIT
1:1
100%

Артикул

Название

Примечание

Количество

|$0

20N-43-00041

LEVER ASS'Y

1

20N-43-12111

LEVER

2

113-43-23420

KNOB

3

20N-43-11210

BRACKET

4

201-43-22180

DISC

5

101-43-11281

FACING

6

04020-00616

PIN,DOWEL

7

154-43-14690

SPRING

8

01052-51265

BOLT

9

01640-21223

WASHER

10

101-43-11380

COVER

11

01593-11210

NUT

12

04050-13030

PIN,COTTER

13

01010-51030

BOLT

14

01602-21030

WASHER,SPRING

15

01643-31032

WASHER

16

101-Z65-4540

CABLE

17

04211-20500

YOKE

18

04205-10514

PIN

19

04050-11208

PIN,COTTER

20

04211-20500

YOKE

21

04205-10514

PIN

22

04050-11208

PIN

23

20N-43-12121

PLATE

24

01010-50870

BOLT

25

01602-20825

WASHER,SPRING

26

08037-03614

GROMMET

27

124-43-21150

HOLDER

28

124-43-21160

PIN

29

124-43-21170

SPRING

30

01642-21216

WASHER

31

04050-16045

PIN

32

01010-50620

BOLT

33

01602-20619

WASHER,SPRING

Выбрано товаров: 0