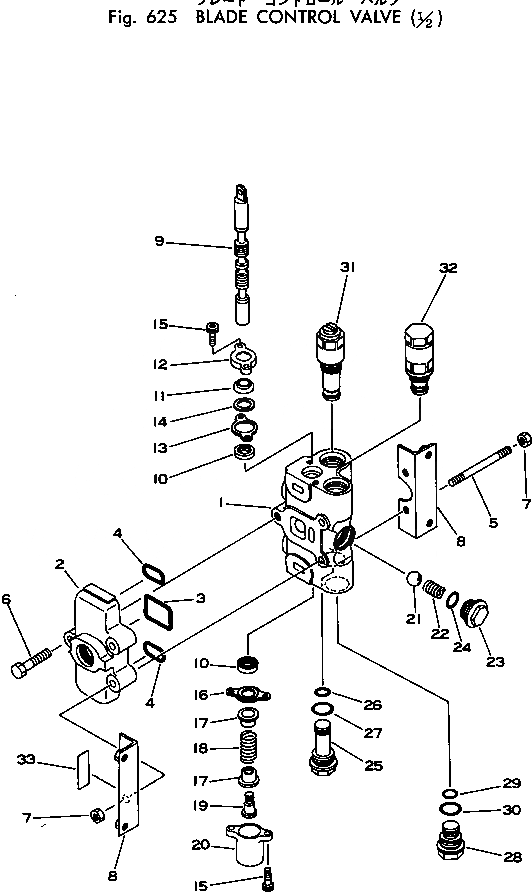
Запчасти Komatsu PC10-1 ОТВАЛ УПРАВЛЯЮЩ. КЛАПАН (/) ГИДРАВЛИКА

Схема запчастей Komatsu PC10-1 - ОТВАЛ УПРАВЛЯЮЩ. КЛАПАН (/) ГИДРАВЛИКА
FIT
1:1
100%

Артикул

Название

Примечание

Количество

|$0

700-21-25000

VALVE ASS'Y

1

BODY

2

COVER

3

07000-13040

O-RING

4

700-22-11450

O-RING

5

700-21-11110

STUD

6

700-21-11120

BOLT

7

01580-10806

NUT

8

700-26-11170

ANGLE

9

SPOOL

10

700-22-11252

U-PACKING

11

700-22-11261

SEAL,DUST

12

700-22-11270

PLATE

13

700-22-11420

GASKET

14

700-22-11430

COLLAR

15

01252-30616

BOLT

16

700-22-11281

PLATE

17

700-22-11290

RETAINER

18

700-22-11311

SPRING

19

700-22-11320

PLUG

20

700-22-11331

COVER

21

700-22-12340

BALL

22

700-22-12350

SPRING

23

700-22-11351

PLUG

24

07002-12434

O-RING

25

700-26-11150

PLUG

26

07000-12014

O-RING

27

07002-02434

O-RING

28

700-22-11360

PLUG

29

07000-12014

O-RING

30

07002-02434

O-RING

31

700-21-51000

VALVE ASS'Y,(SEE FIG.626)

32

700-20-72000

VALVE ASS'Y,(SEE FIG.626)

33

700-11-31980

PLATE, NAME

Выбрано товаров: 34