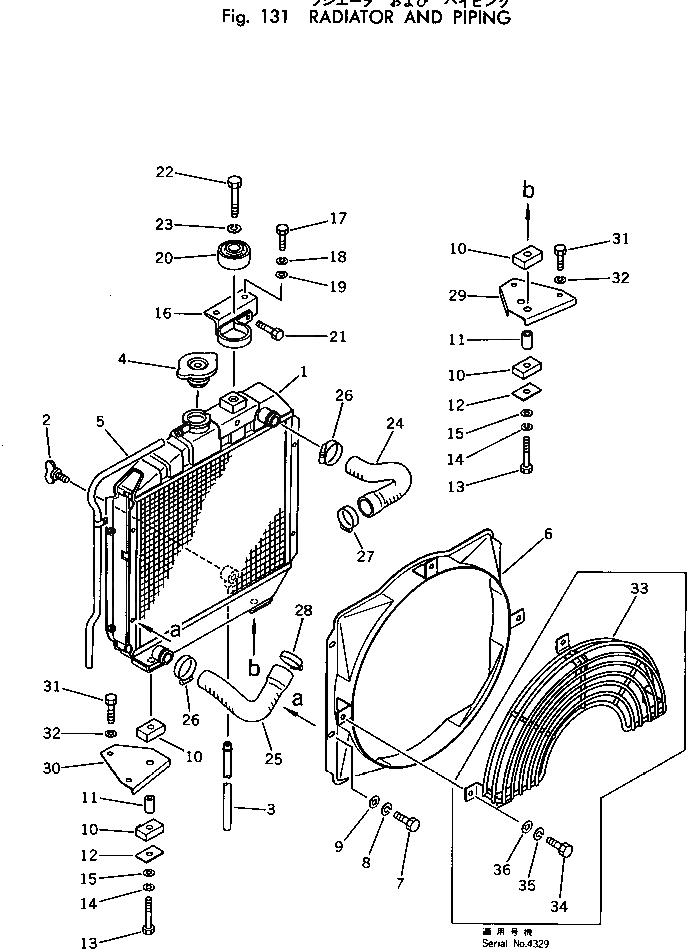
Запчасти Komatsu PC10-1 РАДИАТОР И ТРУБЫ КОМПОНЕНТЫ ДВИГАТЕЛЯ И ЭЛЕКТРИКА

Схема запчастей Komatsu PC10-1 - РАДИАТОР И ТРУБЫ КОМПОНЕНТЫ ДВИГАТЕЛЯ И ЭЛЕКТРИКА
FIT
1:1
100%

Артикул

Название

Примечание

Количество

|$0

20N-03-11102

RADIATOR ASS'Y

|$1

20N-03-11101

RADIATOR ASS'Y

1

CORE

2

20N-03-11181

PLUG

3

20N-03-11170

TUBE

4

20R-03-11220

CAP

5

20N-03-11160

HOSE

6

20N-03-11132

SHROUD

6

20N-03-11131

SHROUD

7

01010-30816

BOLT

8

01602-00825

WASHER,SPRING

9

01641-20812

WASHER

10

100-03-12140

SEAT

11

20T-03-11130

SPACER

12

20N-03-12520

PLATE

13

01010-30855

BOLT

14

01602-00825

WASHER,SPRING

15

01640-20816

WASHER

16

20N-03-12511

BRACKET

17

01010-31030

BOLT

18

01602-01030

WASHER,SPRING

19

01643-31032

WASHER

20

135-03-12110

DAMPER

21

01010-31030

BOLT

22

01010-31455

BOLT

23

01602-01442

WASHER,SPRING

24

20N-03-12121

HOSE,UPPER

25

20N-03-12111

HOSE,LOWER

26

07281-00419

CLAMP

27

07281-00549

CLAMP

28

07281-00489

CLAMP

29

20N-03-12530

PLATE,R.H.

30

20N-03-12540

PLATE,L.H.

31

01010-51025

BOLT

32

01602-21030

WASHER

33

20N-30-11230

NET,WIRE

34

01010-50816

BOLT

35

01602-20825

WASHER,SPRING

36

01641-20812

WASHER

Выбрано товаров: 39