Запчасти Komatsu PC10-1 ЭЛЕКТРИКА КОМПОНЕНТЫ ДВИГАТЕЛЯ И ЭЛЕКТРИКА

Схема запчастей Komatsu PC10-1 - ЭЛЕКТРИКА КОМПОНЕНТЫ ДВИГАТЕЛЯ И ЭЛЕКТРИКА
FIT
1:1
100%

Артикул

Название

Примечание

Количество

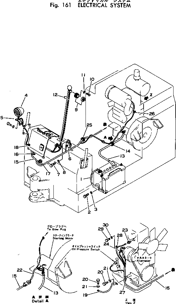
1

201-06-11340

WIRE

2

01010-51020

BOLT

3

01602-21030

WASHER

4

08125-01200

LAMP ASS'Y,HEAD

5

20N-06-11222

BRACKET

5

20N-06-11221

BRACKET

6

08160-41200

HORN

7

01010-50816

BOLT

8

01602-20825

WASHER,SPRING

9

20N-06-11230

SWITCH,HORN

10

01220-40316

SCREW

11

01601-20370

WASHER,SPRING

12

20R-06-11170

WIRE

13

20N-06-11171

WIRE ASS'Y

14

08037-05016

GROMMET

15

20N-06-11162

WIRE ASS'Y

16

20N-06-11190

CLIP

17

08037-03614

GROMMET

18

130-06-14270

GROMMET

19

201-06-11340

WIRE

20

01010-51020

BOLT

21

01602-21030

WASHER

22

20N-06-11240

WIRE ASS'Y

23

198-06-11940

SENSOR,UNIT

24

08038-00519

CAP

25

08037-03614

GROMMET

26

08036-10610

CLIP

27

08036-11214

CLIP

28

08036-10614

CLIP

29

01010-51220

BOLT

30

01602-21236

WASHER,SPRING

Выбрано товаров: 31