Запчасти Komatsu PC10-2 МАРКИРОВКА ОСНОВНАЯ РАМА И КАБИНА

Схема запчастей Komatsu PC10-2 - МАРКИРОВКА ОСНОВНАЯ РАМА И КАБИНА
FIT
1:1
100%

Артикул

Название

Примечание

Количество

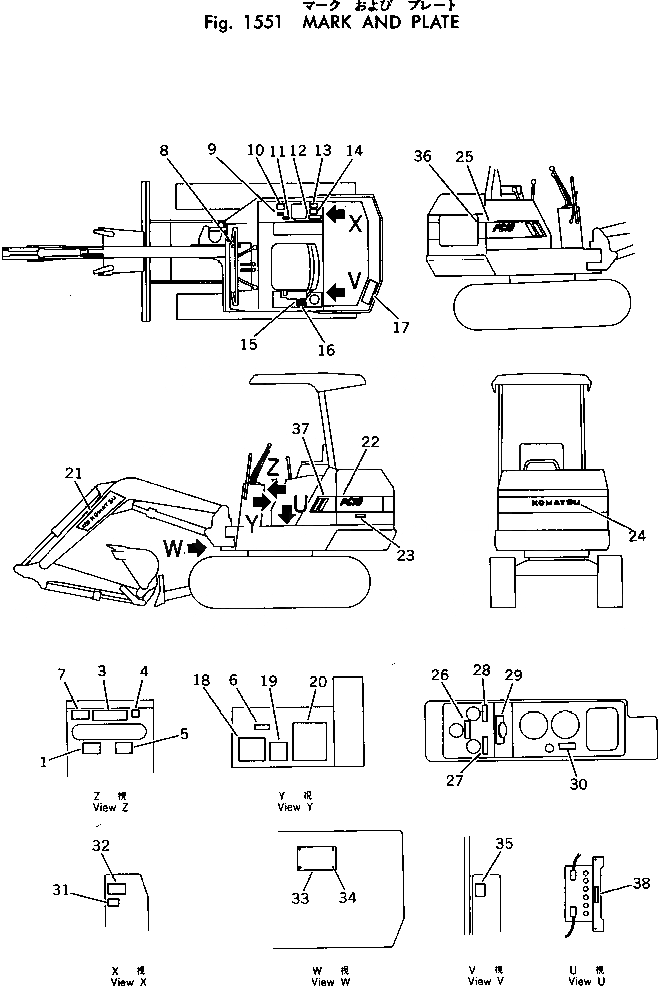
1

20N-54-16152

PLATE¤ SAFETY,PARKING

3

20T-98-21120

PLATE¤ INSTRUCTION,OPERATING

4

09173-00100

PLATE¤ SAFETY,INSPECTION AND MAINTENANCE

5

20N-98-21110

PLATE¤ OPERATING,LOCK LEVER

6

09131-00100

PLATE¤ SAFETY,SWING LOCK

7

09651-00100

PLATE¤ SAFETY,BEFORE OPERATING

8

20N-54-16170

PLATE¤ INSTRUCTION,ENGINE CONTROL

9

09670-00002

PLATE¤ OPERATING,BLADE

10

09653-00100

PLATE¤ SAFETY,HYDRAULIC TANK

11

20T-98-21130

PLATE¤ OPERATING,SWING

12

203-00-21190

PLATE¤ INSTRUCTION,HYDRAULIC OIL

13

09656-01080

PLATE¤ INSTRUCTION,STRAINER

14

203-00-21180

PLATE¤ CAUTION,HYDRAULIC OIL FILTER

15

09652-01101

PLATE¤ CAUTION,FUEL TANK

16

FF7820-87120

PLATE¤ INSTRUCTION,RECOMMENDED FUEL OIL

17

20R-98-21130

PLATE¤ SAFETY,KEEP OUT OF TURNING AREA

18

20R-54-15391

PLATE¤ CAUTION,TRACK LOADING INSTRUCTION

19

20N-98-21260

PLATE¤ DATA

20

20N-98-21250

CHART¤ OIL

21

20R-98-21140

PLATE¤ MARK,KOMATSU

22

20N-98-21150

PLATE¤ MARK,PC10

23

09667-00100

PLATE¤ SAFETY,ENGINE COVER

24

20N-98-21170

PLATE¤ MARK,KOMATSU

25

20N-98-21160

PLATE¤ MARK,PC10

26

09609-00302

PLATE¤ NAME,OIL PRESSURE LAMP

27

20N-98-21280

PLATE¤ NAME,THERMOSTART LAMP

28

09609-00301

PLATE¤ NAME,CHARGE LAMP

29

09683-01060

PLATE¤ OPERATING,STARTER SWITCH

30

09609-00302

PLATE¤ NAME,LAMP SWITCH

31

09668-00100

PLATE¤ SAFETY,RADIATOR CAP

32

09650-01103

PLATE¤ INSTRUCTION,RADIATOR

33

09601-00835

PLATE¤ NAME,(LIMITED SUPPLY)

34

04418-13060

SCREW

35

20N-98-21290

PLATE¤ CAUTION,FUEL FILTER

36

20N-98-21190

PLATE¤ STRIPE

37

20N-98-21180

PLATE¤ STRIPE

38

20M-98-21220

PLATE¤ CAUTION,BATTERY

Выбрано товаров: 37