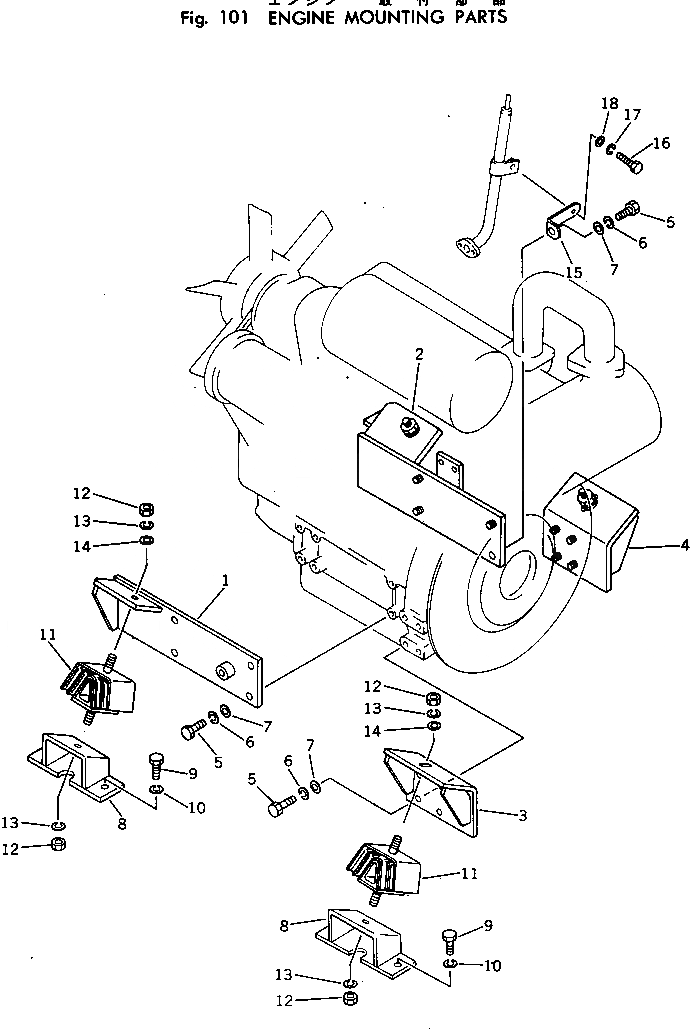
Запчасти Komatsu PC10-3 КРЕПЛЕНИЕ ДВИГАТЕЛЯ КОМПОНЕНТЫ ДВИГАТЕЛЯ И ЭЛЕКТРИКА

Схема запчастей Komatsu PC10-3 - КРЕПЛЕНИЕ ДВИГАТЕЛЯ КОМПОНЕНТЫ ДВИГАТЕЛЯ И ЭЛЕКТРИКА
FIT
1:1
100%

Артикул

Название

Примечание

Количество

1

20N-01-23140

BRACKET,L.H.

2

20N-01-23131

BRACKET,R.H.

3

20N-01-23120

BRACKET,L.H.

4

20N-01-23110

BRACKET,R.H.

5

01010-51230

BOLT

6

01602-21236

WASHER,SPRING

7

01642-21216

WASHER

8

20N-01-23150

BRACKET

9

01010-51230

BOLT

10

01602-21236

WASHER,SPRING

11

20N-01-23410

CUSHION

12

01580-11210

NUT

13

01602-21236

WASHER,SPRING

14

01643-31232

WASHER

15

20N-01-23160

PLATE

16

01010-50820

BOLT

17

01602-20825

WASHER,SPRING

18

01643-30823

WASHER

Выбрано товаров: 0