Запчасти Komatsu PC10-3 КОМПОНЕНТЫ ДВИГАТЕЛЯ КОМПОНЕНТЫ ДВИГАТЕЛЯ И ЭЛЕКТРИКА
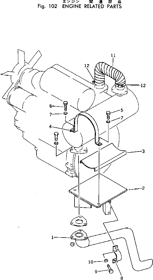
1
20N-01-22141
PIPE
2
20N-01-31110
BRACKET
3
20N-01-31130
BRACKET
4
20N-01-31120
CLAMP
5
01010-51020
BOLT
6
01010-51030
BOLT
7
01602-21030
WASHER,SPRING
8
20N-01-22180
CLAMP
9
01010-51020
BOLT
10
01602-21030
WASHER,SPRING
11
20N-01-31140
TAPE
12
07281-00609
CLAMP
Выбрано товаров: 0