Запчасти Komatsu PC10-3 МАРКИРОВКА (АНГЛ.) (СПЕЦ-Я TBG)(№-) ОПЦИОННЫЕ КОМПОНЕНТЫ

Схема запчастей Komatsu PC10-3 - МАРКИРОВКА (АНГЛ.) (СПЕЦ-Я TBG)(№-) ОПЦИОННЫЕ КОМПОНЕНТЫ
FIT
1:1
100%

Артикул

Название

Примечание

Количество

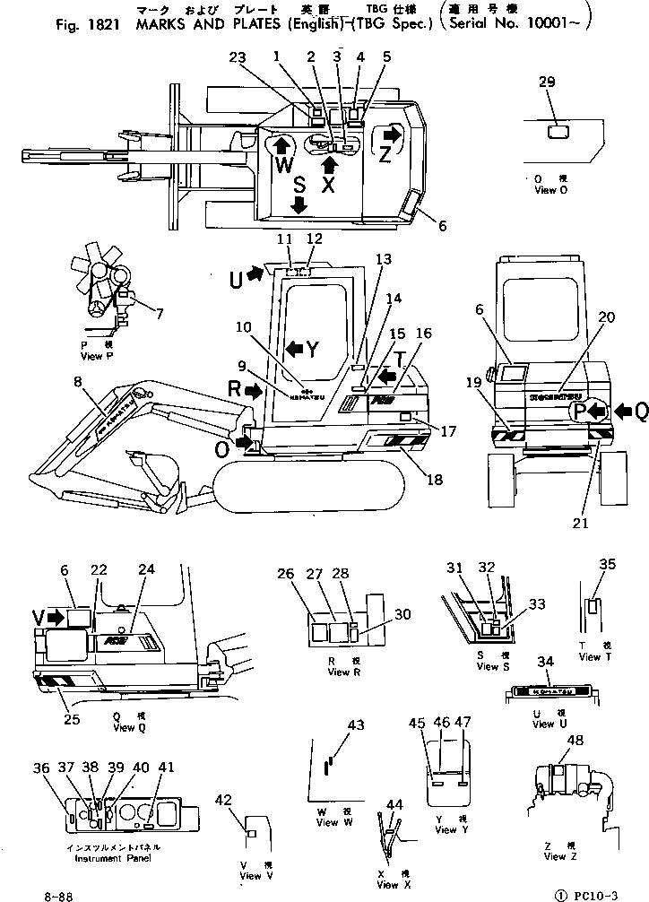
1

09653-03000

PLATE, SAFETY,HYDRAULIC TANK

2

20T-98-22250

PLATE, OPERATING,SWING CONTROL

3

362-54-17320

PLATE, OPERATING,ENGINE CONTROL

4

201-98-29160

PLATE, CAUTION,HYDRAULIC FILTER

5

201-98-29150

PLATE, INSTRUCTION,RECOMMENDED HYDRAULIC OIL

6

20T-98-22320

PLATE, SAFETY,KEEP OUT OF TURNING AREA

7

20N-98-39340

PLATE, CAUTION

8

20R-98-21140

PLATE, MARK,KOMATSU

9

09690-40315

PLATE, MARK,KOMATSU

10

09694-40100

PLATE, MARK,SYMBOL

11

20N-98-39310

PLATE,BOOM LOAD

12

20N-98-39320

PLATE,BOOM LOAD

13

09101-03000

PLATE, CAUTION,RECOMMENDED FUEL OIL

14

09652-30101

PLATE, CAUTION,FUEL TANK WATER DRAIN

15

20M-98-21180

PLATE, STRIPE,ZEBRA

16

20N-98-21150

PLATE, MARK,PC10

17

09667-03000

PLATE, SAFETY,ENGINE COVER

18

20N-98-39260

PLATE, MARK,ZEBRA

19

20N-98-39270

PLATE, MARK,ZEBRA

20

20N-98-21170

PLATE, MARK,KOMATSU

21

20N-98-39290

PLATE, MARK,ZEBRA

22

20N-98-21190

PLATE, STRIPE,ZEBRA

23

09656-00080

PLATE, INSTRUCTION,STRAINER

24

20N-98-21160

PLATE, MARK,PC10

25

20N-98-39280

PLATE, MARK,ZEBRA

26

20T-98-19120

PLATE, CAUTION

27

20N-98-39180

CHART, OIL,OIL

28

09131-03000

PLATE, SAFETY,SWING LOCK LEVER

29

09601-00835

PLATE, NAME,(LIMITED SUPPLY)

29

04418-13060

SCREW

30

09173-03000

PLATE, SAFETY,INSPECTION AND MAINTENANCE

31

09132-03000

PLATE, SAFETY,WARNING

32

20T-98-22160

PLATE, OPERATING,DOOR LOCK

33

09651-03000

PLATE, SAFETY,BEFORE OPERATING

34

20T-98-21190

PLATE, MARK,KOMATSU

35

20S-98-12230

PLATE, CAUTION,FUEL FILTER

36

09609-24008

PLATE, NAME,LAMP SWITCH

37

20M-98-22130

PLATE, NAME,THERMOSTAT

38

09609-24002

PLATE, NAME,OIL PRESSURE LAMP

39

09609-24001

PLATE, NAME,CHARGE LAMP

40

09683-30060

PLATE, OPERATING,STARTING SWITCH

41

20N-98-39130

PLATE,OVER LOAD SWITCH (ON-OFF)

42

09668-03000

PLATE, SAFETY,RADIATOR CAP

43

09685-00002

PLATE, OPERATING,SWING LOCK

44

09670-00002

PLATE, OPERATING,BLADE CONTROL

45

20T-98-22260

PLATE, OPERATING,WORK EQUIPMENT CONTROL

46

20T-98-22410

PLATE, CAUTION,SIDE OPEN SASH

47

20N-98-39330

PLATE

48

20S-98-12220

PLATE, INSTRUCTION,AIR CLEANER

Выбрано товаров: 49