Запчасти Komatsu PC10-3 МАРКИРОВКА ОСНОВНАЯ РАМА И КАБИНА

Схема запчастей Komatsu PC10-3 - МАРКИРОВКА ОСНОВНАЯ РАМА И КАБИНА
FIT
1:1
100%

Артикул

Название

Примечание

Количество

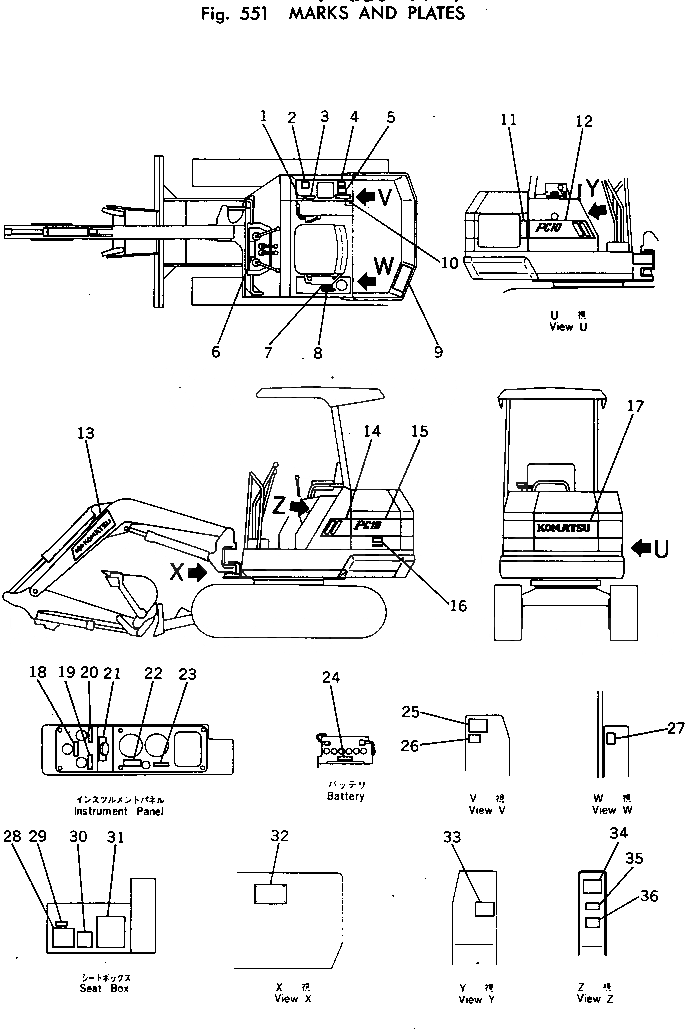
1

09670-00002

PLATE, OPERATING,BLADE

2

09653-00100

PLATE, SAFETY,HYDRAULIC TANK

3

20T-98-21130

PLATE, OPERATING,SWING

4

09656-00100

PLATE, INSTRUCTION

5

203-00-21180

PLATE, CAUTION,HYDRAULIC OIL FILTER

6

20N-98-31110

PLATE, OPERATING

7

09652-01101

PLATE, CAUTION,FUEL TANK

8

09101-00100

PLATE, INSTRUCTION,RECOMMENDED FUEL OIL

9

20R-98-21130

PLATE, SAFETY,KEEP OUT OF TURNING AREA

10

203-00-21190

PLATE, INSTRUCTION,HYDRAULIC OIL

11

20N-98-21190

PLATE, STRIPE

12

20N-98-21160

PLATE, MARK,PC10

13

20R-98-21140

PLATE, MARK,KOMATSU

14

20N-98-21180

PLATE, STRIPE

15

20N-98-21150

PLATE, MARK,PC10

16

09667-00100

PLATE, SAFETY,ENGINE COVER

17

20N-98-21170

PLATE, MARK,KOMATSU

18

20N-98-21280

PLATE, NAME,THERMOSTART LAMP

19

09609-00302

PLATE, NAME,OIL PRESSURE

20

09609-00301

PLATE, NAME,CHARGE LAMP

21

09683-01060

PLATE, OPERATING,STARTER SWITCH

22

20T-54-13140

PLATE, OPERATING,ENGINE CONTROL

23

09609-00308

PLATE, NAME,LAMP SWITCH

24

20M-98-21220

PLATE, CAUTION,BATTERY

25

09650-01103

PLATE, INSTRUCTION,RADIATOR

26

09668-00100

PLATE, SAFETY,RADIATOR CAP

27

20N-98-21290

PLATE, CAUTION,FUEL FILTER

28

20R-54-15391

PLATE, CAUTION,TRACK LOADING INSTRUCTION

29

09131-00100

PLATE, SAFETY,SWING LOCK

30

20N-98-31130

PLATE, DATA

31

20N-98-31120

CHART, OIL

32

09601-00835

PLATE, NAME,(LIMITED SUPPLY)

32

04418-13060

SCREW

33

20N-98-21110

PLATE, OPERATING

34

09132-00100

PLATE, SAFETY,WARNING

35

09651-00100

PLATE, SAFETY,BEFORE OPERATING

36

09173-00100

PLATE, SAFETY

Выбрано товаров: 37