Запчасти Komatsu PC10-3 ГИДР. НАСОС. ГИДРАВЛИКА

Схема запчастей Komatsu PC10-3 - ГИДР. НАСОС. ГИДРАВЛИКА
FIT
1:1
100%

Артикул

Название

Примечание

Количество

|$0

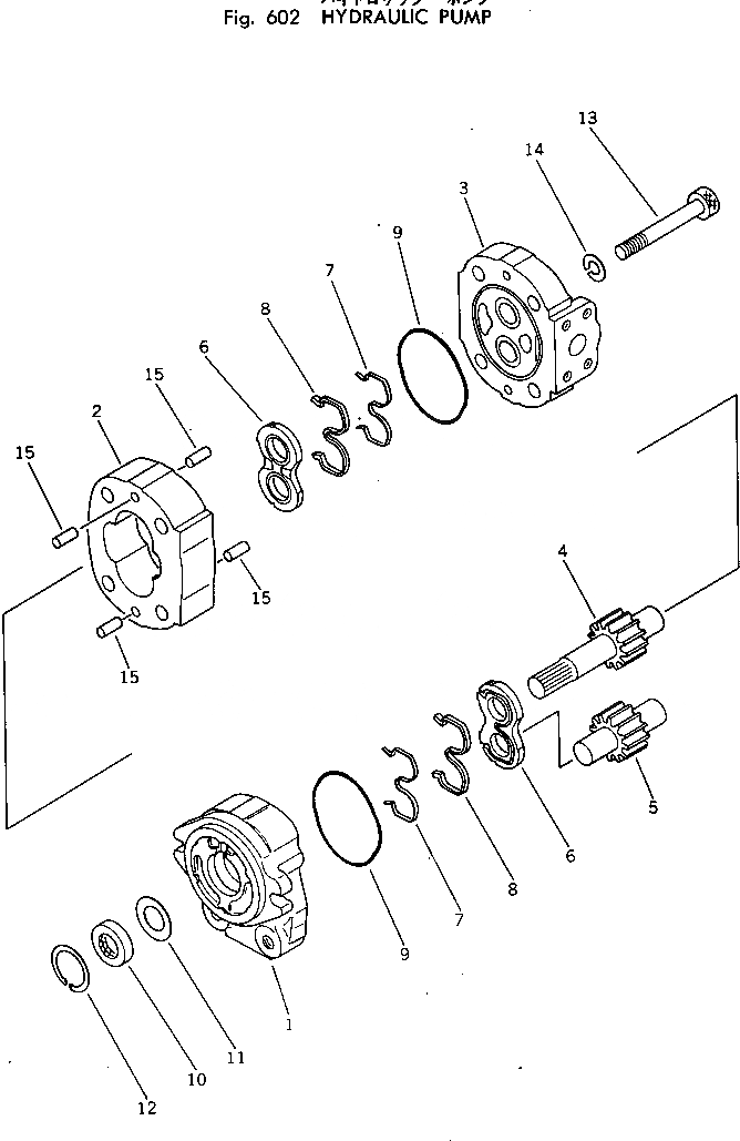
705-22-20020

PUMP ASS'Y

1

BRACKET

2

CASE,GEAR

3

COVER ASS'Y

4

GEAR,DRIVE

5

GEAR,DRIVEN

6

PLATE,SIDE

7

RING,BACK-UP

8

SEAL,SEAL

9

O-RING

10

704-17-01810

SEAL,OIL

11

705-17-01870

PLATE

12

04065-03515

RING,SNAP

13

BOLT

14

WASHER,SPRING

15

PIN,DOWEL

Выбрано товаров: 16