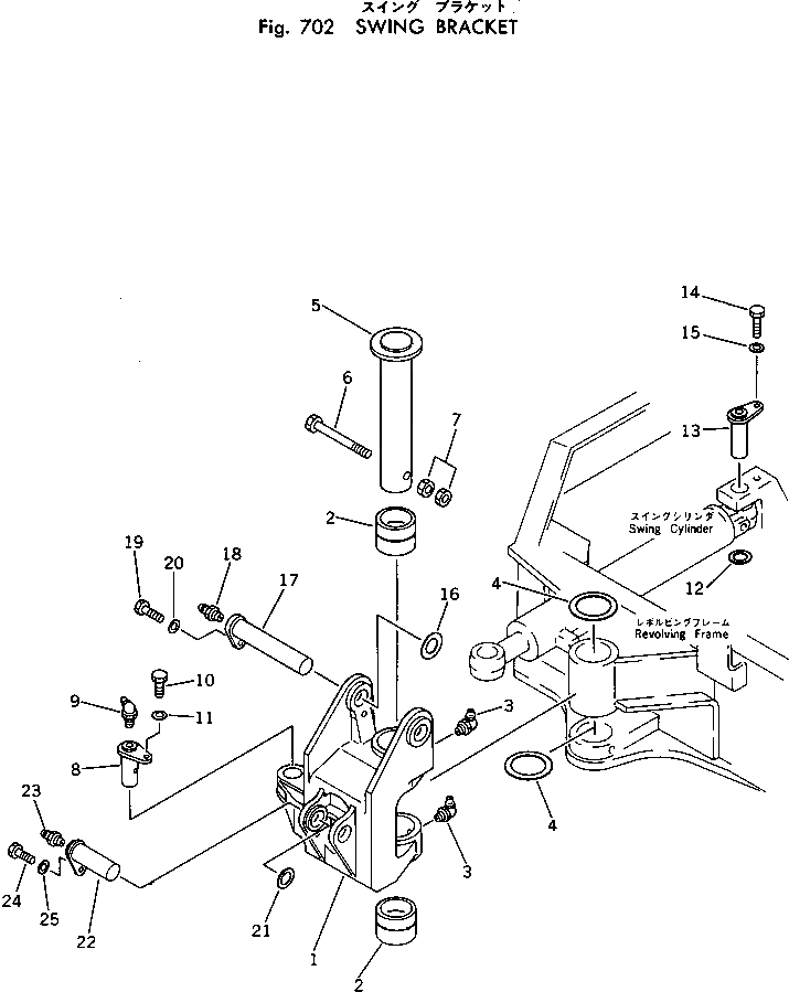
Запчасти Komatsu PC10-3 ПОВОРОТН. БЛОК РАБОЧЕЕ ОБОРУДОВАНИЕ

Схема запчастей Komatsu PC10-3 - ПОВОРОТН. БЛОК РАБОЧЕЕ ОБОРУДОВАНИЕ
FIT
1:1
100%

Артикул

Название

Примечание

Количество

|$0

20N-70-00030

SWING BRACKET ASS'Y

1

BRACKET

2

07144-10606

BUSHING

3

07020-00900

FITTING,GREASE

4

20N-70-14120

WASHER

5

20N-70-11260

PIN

6

01011-51630

BOLT

7

01580-11613

NUT

8

20R-70-14140

PIN

9

07020-00675

FITTING,GREASE

10

01010-51225

BOLT

11

01643-31232

WASHER

12

01640-23045

WASHER

13

20N-70-11270

PIN

14

01010-51025

BOLT

15

016543-31032

WASHER

16

20R-70-11270

SPACER, 1.0MM

17

20N-70-11210

PIN

18

07020-00000

FITTING,GREASE

19

01010-51225

BOLT

20

01643-31232

WASHER

21

20R-70-11270

SPACER, 1.0MM

22

20N-70-11230

PIN

23

07020-00000

FITTING,GREASE

24

01010-51225

BOLT

25

01643-31232

WASHER

Выбрано товаров: 26